La Taberna del Puerto

La Taberna del Puerto (https://foro.latabernadelpuerto.com/index.php)
-   Foro Náutico Deportivo (https://foro.latabernadelpuerto.com/forumdisplay.php?f=2)
-   -   Bricobarco Bomba sentina con temporizador (https://foro.latabernadelpuerto.com/showthread.php?t=199843)

silverado 25-01-2023 16:54

Bomba sentina con temporizador
 
2 Archivo(s) adjunto(s)
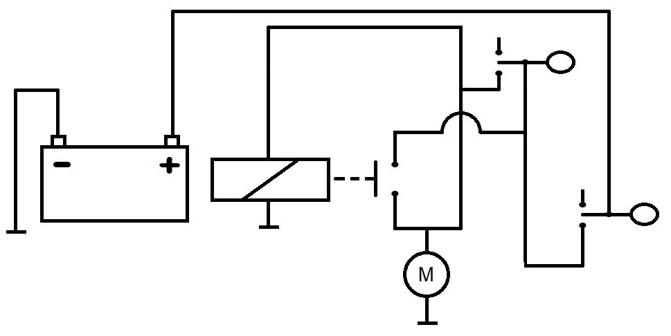
Hola a todos/as, he preparado un circuito que sirve para poder vaciar completamente la sentina por medio de su bomba habitual. Lo que ocurre es que cuando estás a bordo en verano con el aire acondicionado en marcha y como este vierte en la sentina, esta bomba de vaciado esta únicamente unos segundos en marcha movimiento alto/bajo de la boya) y por lo tanto entiendo que si le coloco en paralelo a esa boya un contacto temporizado, al que yo le pueda regular el tiempo, para que produzca el total vaciado de la misma, los lapsos de funcionamiento serán más prolongados permitiéndonos descansar más largamente.
Adjunto esquema y foto del montaje, así como el temporizador que yo he adquirido. Al montarlo todo sobre una tablita, únicamente hay que conectarle los 12 v , la boya y la bomba, eso sí, atendiendo a las polaridades.
Si alguien necesita más datos , estoy a su disposición.

Salud

Rele temporizador:

https://www.aliexpress.com/snapshot/...20067428435232

PAMPLONA02 25-01-2023 17:41

Re: Bomba sentina con temporizador
 
depende donde tengas el aire colocado igual es mas fácil que salga por un desagüe directo y no te complicas.

Urola 2 25-01-2023 21:13

Re: Bomba sentina con temporizador
 
La bomba de la sentina tiene que tener una válvula anti retorno.
Si la sentina está llena de agua, más o menos 5 litros, la bomba se pone en marcha, y vacía la sentina.
Tiene que generar el aire acondicionado otros 4/5 litros para que se vuelva a poner en marcha. Serán horas d3 tranquilidad ñ

dormaire 26-01-2023 19:13

Re: Bomba sentina con temporizador
 
1 Archivo(s) adjunto(s)
Hola Silverado,

Es un aporte muy interesante. Gracias por compartir. Una duda, cómo funciona el temporizador. Es un retardo a la conexión o un retardo a la desconexión. Con un retardo a la conexión, una vez que el interruptor de nivel da la señal, la bomba de achique tardaría un tiempo en ponerse en marcha. Con un retardo a la desconexión, la bomba de achique se pondría en funcionamiento tan pronto como detecte nivel de agua, pero al bajar el interruptor se quedaría funcionando un rato hasta vaciar más la sentina.


Creo no obstante que en muchos casos podría ser más sencillo utilizar una bomba de condensados convencional a 220V de las que se utilizan en climatización doméstica. Así es una bomba independiente de la bomba de achique y que sólo funcionará cuando el aire acondicionado esté en marcha. Es una bomba muy pequeña, por lo que resulta silenciosa. Aquí se puede ver un ejemplo de una de estas bombas conectada directamente al desagüe de la bandeja de condensados de un aire acondicionado para barco. La bomba es la pieza que se ve con una tapa azul conectada a la bandeja de acero inoxibable con una manguera de 16mm (5/8) y con la salida de agua conectada a un tubo fino transparente
Adjuntos 94281



Cita:

Originalmente publicado por silverado (Mensaje 2399611)
Hola a todos/as, he preparado un circuito que sirve para poder vaciar completamente la sentina por medio de su bomba habitual. Lo que ocurre es que cuando estás a bordo en verano con el aire acondicionado en marcha y como este vierte en la sentina, esta bomba de vaciado esta únicamente unos segundos en marcha movimiento alto/bajo de la boya) y por lo tanto entiendo que si le coloco en paralelo a esa boya un contacto temporizado, al que yo le pueda regular el tiempo, para que produzca el total vaciado de la misma, los lapsos de funcionamiento serán más prolongados permitiéndonos descansar más largamente.
Adjunto esquema y foto del montaje, así como el temporizador que yo he adquirido. Al montarlo todo sobre una tablita, únicamente hay que conectarle los 12 v , la boya y la bomba, eso sí, atendiendo a las polaridades.
Si alguien necesita más datos , estoy a su disposición.

Salud

Rele temporizador:

https://www.aliexpress.com/snapshot/...20067428435232


Joanet78 26-01-2023 21:42

Re: Bomba sentina con temporizador
 
Pregunto: ¿ahora mismo, cuando baja la boya y se para la bomba, queda la sentina seca? porque si es así y el temporizador prolonga la marcha de la bomba, cuando el agua alcance el nivel se activará la bomba, el temporizador seguirá excitado hasta que la boya baje y cambie de estado, luego habrá la temporización y se desconectará al cabo del tiempo que le hayas programado. Si al momento en que la boya baja la sentina ya queda vacía, lo que harás será que los periodos de funcionamiento de la bomba serán más largos, por lo que los periodos sin bomba serán más cortos. Si la idea es retardar la puesta en marcha... ¿qué pasará cuando tengas una vía de agua y tarde en activarse la bomba? ¿el período será peligroso? Opino como el cofrade Pamplona, plantéate si no es más fácil canalizar el agua hasta un desagüe. Si por el contrario, cuando la boya baja y se para la bomba sigues teniendo agua en la sentina, si que serviría la idea, tendrías periodos más prolongados de funcionamiento de la bomba, pero más espaciados. Si este es tu caso y como, aunque trabajo en electrónica y automatismos soy contrario a poner demasiados elementos electrónicos en la bomba de sentina, se podría resolver con un sistema de doble boya y un relé, se activaría la bomba al subir la boya más elevada y se detendría al descender el nivel en la boya más baja.

https://i.postimg.cc/7P9Vr1yK/Esquema.jpg

:brindis:

Joanet78 26-01-2023 22:03

Re: Bomba sentina con temporizador
 
Cita:

Originalmente publicado por Joanet78 (Mensaje 2399740)
Pregunto: ¿ahora mismo, cuando baja la boya y se para la bomba, queda la sentina seca? porque si es así y el temporizador prolonga la marcha de la bomba, cuando el agua alcance el nivel se activará la bomba, el temporizador seguirá excitado hasta que la boya baje y cambie de estado, luego habrá la temporización y se desconectará al cabo del tiempo que le hayas programado. Si al momento en que la boya baja la sentina ya queda vacía, lo que harás será que los periodos de funcionamiento de la bomba serán más largos, por lo que los periodos sin bomba serán más cortos. Si la idea es retardar la puesta en marcha... ¿qué pasará cuando tengas una vía de agua y tarde en activarse la bomba? ¿el período será peligroso? Opino como el cofrade Pamplona, plantéate si no es más fácil canalizar el agua hasta un desagüe. Si por el contrario, cuando la boya baja y se para la bomba sigues teniendo agua en la sentina, si que serviría la idea, tendrías periodos más prolongados de funcionamiento de la bomba, pero más espaciados. Si este es tu caso y como, aunque trabajo en electrónica y automatismos soy contrario a poner demasiados elementos electrónicos en la bomba de sentina, se podría resolver con un sistema de doble boya y un relé, se activaría la bomba al subir la boya más elevada y se detendría al descender el nivel en la boya más baja.

https://i.postimg.cc/7P9Vr1yK/Esquema.jpg

:brindis:

Me auto-explico el esquema anterior: todo el circuito está sometido a la boya inferior. Cuando el agua activa la boya inferior, esta alimenta uno de los polos el contacto del relé (el otro, va a la bomba) y también alimenta la boya superior. La boya inferior es la que activa y desactiva el circuito al completo. Cuando el nivel del agua llega a activar la bomba superior, esta alimenta la bomba y el positivo del relé. El relé cierra su contacto, retroalimentándose y manteniendo alimentada la bomba aunque la boya superior baje de nivel. Una vez la boya superior se ha activado, el circuito queda activo independientemente de la boya superior. Este estado queda así hasta que la boya inferior baja de nivel, deja de alimentar el resto del circuito y el relé se desconecta y la bomba deja de estar alimentada.

:brindis:

jonam52 27-01-2023 19:04

Re: Bomba sentina con temporizador
 
Cita:

Originalmente publicado por dormaire (Mensaje 2399723)
Hola Silverado,

Es un aporte muy interesante. Gracias por compartir. Una duda, cómo funciona el temporizador. Es un retardo a la conexión o un retardo a la desconexión. Con un retardo a la conexión, una vez que el interruptor de nivel da la señal, la bomba de achique tardaría un tiempo en ponerse en marcha. Con un retardo a la desconexión, la bomba de achique se pondría en funcionamiento tan pronto como detecte nivel de agua, pero al bajar el interruptor se quedaría funcionando un rato hasta vaciar más la sentina.


Creo no obstante que en muchos casos podría ser más sencillo utilizar una bomba de condensados convencional a 220V de las que se utilizan en climatización doméstica. Así es una bomba independiente de la bomba de achique y que sólo funcionará cuando el aire acondicionado esté en marcha. Es una bomba muy pequeña, por lo que resulta silenciosa. Aquí se puede ver un ejemplo de una de estas bombas conectada directamente al desagüe de la bandeja de condensados de un aire acondicionado para barco. La bomba es la pieza que se ve con una tapa azul conectada a la bandeja de acero inoxibable con una manguera de 16mm (5/8) y con la salida de agua conectada a un tubo fino transparente
Adjuntos 94281

yo asi lo tengo, el aire acondicionado solo lo uso cuando estoy en el puerto y con una bombita de esas a 220 me echa el agua a fuera. Prefiero eso que no enviarla a la sentina porque ese agua no tiene cloro y si queda algo en la sentina, aunque sea poco, se va a pudrir y dar mal olor. Pero bueno, cada uno le dará el uso que quiera, logicamente.
:brindis:

silverado 27-01-2023 20:06

Re: Bomba sentina con temporizador
 
Hola, respondiendo a los comentarios:
Mi inconveniente es que la boya esta instalada a mitad de la poceta de la sentina, entonces cuando se activa, procede a sacar agua, pero claro, no la saca toda, siempre queda esta mitad, mas la poca que retrocede por el tubo de salida.
El rele que he adquirido, esta provisto de in trigger(disparador), a él le llevo el positivo del contacto de la boya, con lo cual se activa a la vez y esta cerrado el tiempo que yo le programo. Por ejemplo si con la boya está 5 segundos hasta que, como he dicho, deja la poceta a la mitad, mediante el relé le amplío el tiempo hasta que vacíe totalmente la poceta.
Ambos contactos, (boya y relé, funcionan en paralelo), por lo cual es indiferente quien ponga la bomba en marcha. Jamás se llenará la poceta, ya que uno u otro procederá a su vaciado.
Veo quizás mas interesante la bomba de condensados, antes de implantar mi sistema le voy a dar una pensada al asunto.
Gracias a todos y salud

Leeway 27-01-2023 20:43

Re: Bomba sentina con temporizador
 
Ahora lo entiendo, la boya se activa cuando ya hay un volumen en la sentina ya que no está al fondo del todo. Así permites que se acumule algo de agua y que luego (gracias al temporizador) se vacíe completamente y tarde mas en llenarse lo suficiente para que se active la bomba en lapsos de tiempo mas prolongados. Sólo hay que calcular el tiempo que le lleva vaciar ese volumen para programar el tiempo del temporizador.


P.S. Es fácil construir un temporizador de retardo con un NE 555 y un relé.


:brindis:

pato 27-01-2023 23:41

Re: Bomba sentina con temporizador
 
Cita:

Originalmente publicado por Leeway (Mensaje 2399850)
Ahora lo entiendo, la boya se activa cuando ya hay un volumen en la sentina ya que no está al fondo del todo. Así permites que se acumule algo de agua y que luego (gracias al temporizador) se vacíe completamente y tarde mas en llenarse lo suficiente para que se active la bomba en lapsos de tiempo mas prolongados. Sólo hay que calcular el tiempo que le lleva vaciar ese volumen para programar el tiempo del temporizador.


P.S. Es fácil construir un temporizador de retardo con un NE 555 y un relé.


:brindis:

Con unos condensadores y una resistencia variable puedes regular el tiempo o eso creo:nosabo:

cierraelpico 28-01-2023 08:26

Re: Bomba sentina con temporizador
 
Buenos dias bon dia

Yo he instalado una bombita con salida a la pica para evacuar condensados. Coste ridiculo en Ali Expres

https://foro.latabernadelpuerto.com/...+acondicionado


Aqui lo conté hace unos meses


:brindis::brindis:


Todas las horas son GMT +1. La hora es 05:19.

Powered by vBulletin® Version 3.7.0
Copyright ©2000 - 2026, Jelsoft Enterprises Ltd.
© La Taberna del Puerto