La Taberna del Puerto

La Taberna del Puerto (https://foro.latabernadelpuerto.com/index.php)
-   Foro Náutico Deportivo (https://foro.latabernadelpuerto.com/forumdisplay.php?f=2)
-   -   NUEVO TUTORIAL: Sistema de combustión: Mantenimiento completo de todo el sistema (https://foro.latabernadelpuerto.com/showthread.php?t=201286)

Icarus 25-05-2023 17:49

NUEVO TUTORIAL: Sistema de combustión: Mantenimiento completo de todo el sistema
 
En su día se trató el mantenimiento completo del sistema de refrigeración como una de las partes que suelen ocasionar problemas de funcionamiento al motor:

https://foro.latabernadelpuerto.com/...d.php?t=200742

En esta ocasión nos referiremos al mantenimiento de otra parte del motor que también puede provocar problemas en los momentos más inoportunos: el sistema de combustión del motor.

Es frecuente en el foro escuchar a cofrades con problemas achacables a este sistema. Un mantenimiento sistemático y completo del mismo ayudará a evitarlos.

Al igual que en el tutorial anterior, en algunos casos se incluirán trucos sencillos que ayuden a realizar alguna de las operaciones o a solventar algún problema.

Para más claridad en algunos casos se incluyen también los principios de funcionamiento del componente.

Todas las operaciones a realizar son sencillas, pero requieren un mínimo de conocimientos para llevarlas a cabo. Ayudar a adquirir esos conocimientos a las personas que lo necesiten es el objetivo de este tutorial.

El motor es un Volvo-Penta MD2030D de 2005. Las horas actuales de motor son 1.850.

Al final del tutorial, estará disponible en pdf para enviárselo a las personas interesadas.


INTRODUCCIÓN:

Es sabido que la combustión se realiza consiguiendo una mezcla adecuada de combustible y aire, que se inflama en el interior de los cilindros, y cede su energía a través de los diferentes mecanismos del motor.

Tenemos por tanto una parte correspondiente al circuito de alimentación de combustible y otra correspondiente al circuito de alimentación de aire.


https://i.postimg.cc/9F271zHy/Esquema-imagen.png

En cada circuito se tratará el mantenimiento y/o funcionamiento de las siguientes partes:

CIRCUITO de ALIMENTACIÓN DE COMBUSTIBLE:

1) Revisión y limpieza del depósito de combustible

2) Cambio del pre-filtro de gasoil.

3) Revisión / cambio de la bomba de gasoil de baja presión.

4) Cambio del filtro de gasoil del motor

5) Bomba de inyección y mecanismo de regulación.

6) Revisión y limpieza de los inyectores.

7) Purgado de todos los componentes
.
CIRCUITO DE ALIMENTACIÓN DE AIRE:

1) Revisión y limpieza del filtro de aire.

2) Reglaje de válvulas de admisión y escape.




El combustible debe de ser introducido en los cilindros a alta presión, finísimamente pulverizado (atomizado) y en una proporción exacta según los requerimientos de carga y velocidad de giro del motor. Al mezclarse con el aire a elevada temperatura en el interior de los cilindros, se inicia el proceso de combustión.

Conseguir una combustión perfecta tiene muchos beneficios:

- El motor suministrará toda su potencia.

- Se reduce el consumo de combustible.

- Se evitan los humos en el escape.

- Se reduce la generación de carbonilla en la culata y la cabeza de los pistones y los inyectores.

- Se genera menos costra en el codo de escape.

- El motor girará “redondo”, con regularidad, sin altibajos.

- El arranque será instantáneo (tras los segundos de precalentado en los motores que lleven calentadores).


Una mala combustión produce los efectos contrarios a los mencionados.


Por todo ello es muy importante el buen mantenimiento y puesta a punto de todo el sistema de combustión, que trataremos a continuación.

Ligera 25-05-2023 19:21

Re: NUEVO TUTORIAL: Sistema de combustión: Mantenimiento completo de todo el sistema
 
Muchas gracias Icarus! a la espero de estos lujos que nos regalas!

:brindis::brindis:

Icarus 25-05-2023 22:03

Re: NUEVO TUTORIAL: Sistema de combustión: Mantenimiento completo de todo el sistema
 
CIRCUITO de ALIMENTACIÓN DE COMBUSTIBLE: REVISION Y LIMPIEZA DEL DEPÓSITO DE COMBUSTIBLE.

Ultima limpieza del depósito en hace cuatro años. Dado que el pre-filtro de gasoil, cambiado ahora, estaba limpio sin residuos sólidos, no será necesario realizar una nueva limpieza.

Un depósito de combustible debería de tener todos o parte de los siguientes componentes:

- Una toma para el gasoil que va al motor con válvula de cierre. Debería de estar en la parte superior y aspirar el gasoil del fondo del depósito a través de un tubo rígido.

- Una toma para el gasoil que retorna del motor. Debería de tener un tubo rígido hasta el fondo del depósito de modo que el gasoil que vuelva al depósito salga por un extremo que está sumergido. De no hacerlo así se podría generar espuma al caer el chorro desde cierta altura.

- Una toma opcional para alimentar calefacciones u otros dispositivos. Similar a la de suministro al motor

- Un aforador para suministrar la información del nivel de combustible en el depósito.

- Una tapa de registro estanca que permita la inspección y limpieza del interior del depósito.

- Una boca de llenado que termina en el tapón de la cubierta estanco para impedir la entrada de agua.

- Un respiradero con un recorrido en forma de bucle hasta el exterior para evitar que con escora o movimientos bruscos del barco pueda salir gasoil por él. Es necesario para mantener la presión atmosférica dentro del depósito cuando aumenta o disminuye el volumen del gasoil o varia la temperatura.

https://i.postimg.cc/qvJCkDkN/DSC-0021.jpg

https://i.postimg.cc/cJjKBsf3/DSC-0023.jpg

En la siguiente foto se observan las dos tomas y el retorno del gasoil. Se puede ver como todas llegan hasta unos pocos milímetros del fondo del depósito.

https://i.postimg.cc/wTdmrTZc/DSC-0014.jpg

La toma de gasoil del motor es un tubo bastante fino que se puede obturar con alguna impureza que pueda caer dentro del depósito. Para evitarlo, con posterioridad a estas fotos, compré malla fina de acero inox y le hice un filtro cilindrico alrededor de la parte inferior de la toma.

El aforador debe de tener un sistema de lectura contínua del nivel para proporcinar la informacion de modo proporcional sin escalones de lectura. Hay diferentes sistemas.

En este modelo de aforador, al ir variando el nivel del gasoil, un cursor se va desplazando por un potenciómetro y va variando la resistencia electrica. Este efecto se utiliza para suministrar la información al reloj indicador del nivel de combustible. Si se saca el aforador, es el momento de limpiar el potenciómetro y el cursor que desliza sobre él y verificar que hace buen contacto.

https://i.postimg.cc/SRczKw2M/DSC-0009.jpg

Se debe de tener cuidado de no doblar el brazo del flotador para no modificar la lectura.

https://i.postimg.cc/hjdXCH05/DSC-0010.jpg

CONTINUA EN OTRO POST

Patronmouro 25-05-2023 22:41

Re: NUEVO TUTORIAL: Sistema de combustión: Mantenimiento completo de todo el sistema
 
Muchas gracias por el esfuerzo, la presentación y todas las útiles explicaciones que facilitas :brindis::brindis:

Icarus 25-05-2023 23:01

Re: NUEVO TUTORIAL: Sistema de combustión: Mantenimiento completo de todo el sistema
 
En el depósito del barco se pueden generar dos problemas para el motor:

1) EL AGUA.

El agua puede provenir del gasoil, que es higroscópico, o de una gasolinera que la tiene en sus depósitos, o bien por condensación en nuestro propio depósito. Cuanto peor sea la calidad del gasoil, mas agua y partículas sólidas tendrá.

Ahorrar dinero en un gasoil de menor calidad puede salir caro por los problemas que nos puede generar en el motor. El agua emulsionada en el gasoil puede generar pequeños puntos de corrosión en la bomba de inyección, mecanismo de altísima precisión y muy sensible, y también en las boquillas de los inyectores.

La existencia de agua en el depósito puede dar lugar también a la aparición de las bacterias del gasoil, que veremos mas adelante.

Para entender mejor como evitar la condensación en nuestro depósito, vamos a recordar primero como se produce dicha condensación.

Un kilogramo de aire (aproximadamente 0.8 metros cúbicos de aire a nivel del mar) es capaz de contener una determinada cantidad de agua en forma de vapor sin condensarse. Esa cantidad de agua depende de la temperatura y de la presión de ese aire.

Consideremos que estamos a la presion atmosferica a nivel del mar. Como puede verse en el siguiente diagrama psicométrico, si tenemos a mediodía un depósito con 0.8 metros cubicos de aire a 30 ºC (leidos en el eje inferior de abcisas) con una humedad relativa del 70%, (punto de color rojo), ese aire contendrá 19 gramos de agua en forma de vapor (leidos en el eje vertical de ordenadas). Ahora cae la noche y ese aire se enfría hasta los 20ºC (punto de color verde). A esa temperatura, ese aire solo es capaz de contener 15 gramos de agua en forma de vapor, que correspondería a una humedad relativa del 100%. Por lo tanto, de los 19 gramos de agua inical en forma de vapor, cuando desciende la temperatura tendremos 15 gramos en forma de vapor y 4 gramos (19 – 15) en forma de agua líquida que se condensará y se quedarán en el fondo del depósito.

Para un depósito con 80 litros de aire sería la décima parte de lo anterior, es decir, se condensarían 0.4 gramos de agua líquida.

https://i.postimg.cc/9QLwzPMJ/diagra...rom-trica2.jpg


Al día siguiente sube de nuevo la temperatura a 30 ºC y los 15 gramos de agua que tenemos en forma vapor, supondrán una humedad relativa del 55% a 30ºC, pero como en el exterior hay 70% de humedad y tenemos un respiradero que conecta el depósito con el exterior, las dos humedades relativas tenderán a igualarse y por lo tanto la humedad relativa en el depósito ira aumentando lentamente para intentar igualarse al 70% del exterior con lo cual la siguiente noche, cuando la temperatura baje a 20ºC, se repetirá el proceso con tal de que la humedad relativa en el interior sea mayor del 55%, es decir con tal de que la cantidad de agua en forma de vapor sea de mas de 15 gramos en 0.8 metros cúbicos de aire.

Por lo tanto, cuanta mayor cantidad de aire tengamos en el depósito, mayor cantidad de agua de condensación se podrá generar en el mismo. Esta es la razón por la cual es aconsejable en invierno tener el depósito lo mas lleno posible.


2) LAS BACTERIAS.

Debido a los cambios en la legislación, se han reducido los niveles de azufre en el gasoil, con lo cual éste tiene una menor capacidad antibacteriana.

Por otro lado, ha aumentado en el combustible el porcentaje mínimo de biodiésel, que se elabora a partir de grasas vegetales y animales, y que es un alimento especialmente bueno para estas colonias de bacterias y contribuye por tanto a una mayor incidencia de los problemas de crecimiento biológico.

Las bacterias necesitan alimento (el combustible) y agua, que le proporciona el oxígeno necesario. Sin estos dos elementos, no es posible su existencia. Por eso es importante evitar tener agua en el fondo del depósito.

Las bacterias viven en la interfase entre el agua y el gasoil y los residuos que van generando es lo que conocemos como el “moco” del gasoil que se deposita en el fondo del depósito y en los filtros y demás partes del circuito llegando a provocar la parada del motor.

https://i.postimg.cc/jdQ7YYrV/Fitrado-Diesel-6.jpg

https://i.postimg.cc/cHpn0sHW/blog-IGP2630.jpg

Cuando detectamos que tenemos un problema de bacterias, si no es muy grave, hay productos específicos que las eliminan y disuelven los resíduos generados, al tiempo que previene la formación de nuevas colonias.

Es una buena práctica utilizar siempre estos aditivos cada vez que repostemos. Aquí dejo un link con test realizados con diversas marcas y los resultados obtenidos:

https://www.pbo.co.uk/gear/12-diesel...s-tested-43353

Yo particularmente utilizo este, “Star Tron” de Stat Brite hace años con resultado perfecto, pero cualquiera de los que obtienen buenos resultados es los test de arriba seguro que irán bien.

https://i.postimg.cc/kXcBhNxq/Screen...t-15-52-18.png

Dado que todos los problema tiene su origen en el agua, lo mejor es utilizar todos los recursos posibles para evitarla.


Además del problema de condensación ya comentado, otra posible entrada de agua es por el tapón de llenado cuando baldeamos la cubierta o incluso cuando llueve, según como sea el diseño del tapón.

https://i.postimg.cc/sgH13V6L/IMG-1198.jpg

Para asegurarse de la estanqueidad de este elemento, hay que revisar el estado del sistema de sellado que suele ser un anillo tórico o algún tipo de junta. Si se observan daños o pérdida de elasticidad es mejor cambiarlo por uno nuevo. En esta revisión se observó que la junta tórica de la tapa de sellado estaba empezando a estar algo aplastada por el uso, por lo cual se procedió a cambiarla por una nueva:

https://i.postimg.cc/7LCh6pjZ/IMG-1194.png

Se debe de revisar también el buen estado y la limpieza de la superficie de apoyo de la junta. Si hay que limpiarla, tapar primero el hueco de entrada introduciendo un trapo limpio en él para evitar que se cuelen impurezas al interior del depósito.

https://i.postimg.cc/66C7Cxq7/IMG-1190.png


Otra de las posibles entradas de agua es al repostar, ya que el gasoil, incluso de buena calidad, puede por normativa contener como máximo hasta 200 miligramos de agua por kilogramo de gasoil. Evidentemente, cuanto mejor sea el gasoil y mejor almacenado esté, menor cantidad de agua contendrá. Aquí puede verse en dos fichas técnicas de gasoil de marcas reputadas donde se indica ese máximo de contenido en agua, que no quiere decir que contengan esa cantidad, solo reflejan el máximo que permite la legislación:

https://www.repsol.es/content/dam/re...cm19-51185.pdf

https://www.cepsa.es/stfls/comercial...tar-diesel.pdf

Aquí el BOE del cual salen las especificaciones de las fichas técnicas de los fabricantes (anexo 3):

https://www.boe.es/buscar/pdf/2006/B...onsolidado.pdf

Interceptar el agua que trae el gasoil para evitar que pase a nuestro depósito es una práctica más que recomendable. Existen embudos especiales que permiten el paso del gasoil y no permiten el paso del agua. Yo utilizo siempre uno de este tipo:

https://i.postimg.cc/RV9WRpJg/mrf-fuel-fil-fun-med.jpg

https://i.postimg.cc/W4tFZDqj/filtro...mb-588x506.png

Si echas agua en el embudo, no sale ni una gota por la parte inferior. En cambio el gasoil pasa perfectamente.

De todos modos, si aún así hemos detectado la presencia de bacterias con moco de gasoil en el depósito, lo mas recomendable es realizar una limpieza a fondo del mismo (a parte de cambios de filtros etc)

Hace años tuve este problema y la limpieza del depósito la realicé del siguiente modo:

1) Cerrar la llave de paso de la salida de gasoil hacia el motor.

2) Vaciar el depósito con una bomba manual u electrica de las utilizadas para trasvase de combustible. Si el gasoil está contaminado es mejor eliminarlo adecuadamente como residuo.

3) Retirar todos los residuos de “moco” y limpiar las paredes de restos de gasoil.

4) Limpiar el depósito con agua y lavavajillas antigrasa (Fairy o similar).

5) Pasar una esponja con lejía disuelta en agua limpiando bien todos los rincones. No hay bacteria que se resista al cloro de la lejía.

6) Pasar una esponja con agua para retirar los restos de lejía y secar bien todo el interior.

7) Llenar el depósito con gasoil fresco y limpio.

8) Abrir la llave de paso del gasoil y purgar el circuito. (se verá como hacerlo mas adelante).


Un depósito limpio, sin agua y con gasoil tratado anti bacterias es un buen comienzo para evitar problemas en el circuito de gasoil.

.

ROMO 26-05-2023 07:35

Re: NUEVO TUTORIAL: Sistema de combustión: Mantenimiento completo de todo el sistema
 
Muchas gracias Icarus por el trabajazo, :adoracion:

delagh 26-05-2023 09:06

Re: NUEVO TUTORIAL: Sistema de combustión: Mantenimiento completo de todo el sistema
 
Muy interesante y bien documentado el tema,y muy bien el test de los biocidas.


Gracias y saludos

ROMO 26-05-2023 09:34

Re: NUEVO TUTORIAL: Sistema de combustión: Mantenimiento completo de todo el sistema
 
Una pregunta que me surge, si el azufre es un buen biocida, no seria bueno para evitar las bacterias aditar azufre al deposito?

Icarus 26-05-2023 11:23

Re: NUEVO TUTORIAL: Sistema de combustión: Mantenimiento completo de todo el sistema
 
En este articulo se explican muy bien los riesgos para el motor debido a azufre en el combustible, a parte de su restriccion por motivos medioambientales.

http://maquinasdebarcos.blogspot.com...enido.html?m=1

Icarus 26-05-2023 16:28

Re: NUEVO TUTORIAL: Sistema de combustión: Mantenimiento completo de todo el sistema
 
CIRCUITO de ALIMENTACIÓN DE COMBUSTIBLE: CAMBIO DEL PRE-FILTRO DE GASOIL.

El pre-filtro se había cambiado en abril de 2021, es decir, hace dos años y un mes y aproximadamente 200 horas de motor.

El fabricante indica el cambio del pre-filtro de gasoil cada 200 horas o cada año.

Lo que voy a indicar continuación es una opinión personal y no estoy animando a no seguir las instrucciones del fabricante. Simplemente expongo como lo hago yo y el razonamiento de por qué lo hago así.

Dado que el filtro no se deteriora con el tiempo, no parece lógico establecer un periodo temporal para el cambio del mismo, es decir, indicar el cambio cada año independientemente de las horas de motor parece que no tiene mucho sentido.

Sin embargo, un aspecto a tener también en cuenta es el hecho de que al cambiarlo, el estado del filtro nos aporta información de como tenemos el gasoil y el depósito, y este conocimiento es importante tenerlo, aunque se utilice gasoil de confianza y se tengan las precauciones ya comentadas para evitar el agua y las bacterias en el gasoil. Esta información podemos también tenerla sin necesidad de cambiar el filtro si la cazoleta inferior del porta-filtro es transparente.

El porta-filtro actual tiene la cazoleta inferior de aluminio:


https://i.postimg.cc/qqNn6jdV/DSC-0060.jpg


Al realizar el cambio cada dos años (o 200 horas), para tener la información comentada sobre el estado del gasoil y el agua decantada entre cambios, voy a aprovechar la sustitución del prefiltro para cambiar la cazoleta inferior de aluminio actual por una de vidrio, que permite tener esa informacion visual en cualquier momento. Es mejor el vidrio que el plástico trasparente pues éste amarillea y se pone opaco con el tiempo

En este modelo no es necesario cambiar todo el porta-filtro. Por 22 € se puede comprar por separado la cazoleta de cristal y el tornillo de sujección con el de vaciado del agua en una tienda especializada en filtros


https://i.postimg.cc/5NFLx738/IMG-1141.jpg


Por lo comentado, usando gasoil de calidad, la norma que sigo para el cambio del pre-filtro es cada 200 horas o cada dos años, lo que ocurra primero.

Hay varias configuraciones de pre-filtros, el que estaba instalado funciona según el siguiente esquema:


https://i.postimg.cc/8CbL27b3/Esquem...e-gasolina.jpg


El gasoil entra por una ranura perimetral en la parte superior y atraviesa las paredes laterales del elemento filtrante desde el exterior hacia el conducto interior por el que sube, ya filtrado, hacia la salida del porta-filtro.


https://i.postimg.cc/zvHbGvnq/IMG-1226-2.png


https://i.postimg.cc/nVX0D12h/IMG-1227.jpg


El nuevo, funciona según este otro esquema:

En la parte superior del filtro hay una serie de aberturas por las que el gasoil entra hacia el elemento filtrante. El gasoil pasa a traves de éste y sale por las aberturas de la parte inferior del filtro hacia la cazoleta inferior. En la cazoleta decanta el agua que es mas pesada y se va al fondo.

Se puede observar las entradas del filtro y la salida del gasoil ya filtrado en esta imagen de la parte superior del filtro:


https://i.postimg.cc/gJk3mGS0/81-Wo-...-AC-SL1500.jpg


Y en esta otra de la parte inferior se observan las salidas del gasoil filtrado a la cuba o cazoleta y el orificio central, alejado del fondo de la cuba por el que sube el gasoil filtrado:


https://i.postimg.cc/Tw7gPBFJ/71-UBc...-AC-SL1500.jpg


A mi particularmente me gusta algo más este segundo sistema porque me parece que el agua se decanta más fácilmente hacia la cazoleta inferior.

CONTINUA EN OTRO POST

Icarus 26-05-2023 16:42

Re: NUEVO TUTORIAL: Sistema de combustión: Mantenimiento completo de todo el sistema
 
Para el cambio del pre-filtro, lo primero es cerrar la llave de paso del gasoil a la salida del depósito. Si no hay llave, este es un buen momento para instalar una válvula de bola a la salida del depósito, que permita cerrar dicha salida. Una forma fácil es intercalar una llave aérea en el propio conducto.


https://i.postimg.cc/0jhSYD86/DSC-0008-2.jpg


En una instalacion de combustible sin bomba eléctrica o manual, el pre-filtro de gasoil debería de estar a un nivel mas bajo que el del depósito. La razón, como se verá mas adelante, es juna mayor facilidad de purgado.

Si hay espacio suficiente debajo del pre-filtro, colocar un recipiente adecuado para recoger el gasoil de los inevitables derrames que ocurren durante esta operación. Los derrames de gasoil en el interior del barco acaban impregnándolo todo de olor a gasoil. Si se produjese algún derrame fuera del recipiente, es recomendable limpiar bien y cuanto antes las superficies afectadas con agua y un buen jabón desengrasante tipo lavavajillas.


https://i.postimg.cc/z3mLbNjK/IMG-1223.jpg


A continuación, se abre el tornillo inferior (el que sirve para eliminar el agua) para que salga todo el gasoil del filtro y porta filtro hacia el recipiente. Si no hacemos esto antes de desmontar el filtro, el gasoil saldrá escurriendo por las paredes exteriores del filtro y será más fácil que manche algo.


https://i.postimg.cc/0QBKvDKt/IMG-1228.png


https://i.postimg.cc/kX8sjXkr/IMG-1241-2.png


Una vez vaciado el gasoil del filtro, para sacar el filtro en este modelo, se afloja el tornillo que esta en el centro de la parte superior del porta-filtro. Este tornillo largo atraviesa el filtro y enrosca en cazoleta inferior, manteniendo todo unido (ver la primera foto de este capítulo). Mientras aflojamos el tornillo sujetamos el filtro y la cazoleta para que no se caigan. Ahora ya tenemos todas las partes sueltas y podemos desmontarlas con cuidado de no manchar nada.

Si el espacio en el que se encuentra este filtro fuese reducido hasta tal punto que dificulte realizar el trabajo correctamente, otra opción es soltar las gomas de entrada y salida del gasoil y sacar todo el porta-filtro para hacer todo el proceso fuera del sitio. En este caso tener en cuenta que saldrá algo de gasoil por los racores de entrada y salida del porta-filtro si no se puede vaciar primero como se ha comentado. Las gomas se pueden cerrar con un espiche pequeño y poner su extremo en alto para que no goteen.

Si todo va bien, el filtro que acabamos de sacar debería de parecer casi limpio. Las partículas que pueda haber en condiciones normales en el gasoil no son visibles a simple vista por su pequeño tamaño. Verificar que no haya moco de gasoil u otras impurezas, lo cual nos dará una idea del estado del gasoil y del depósito de combustible.

En estas fotos de abajo se muestra el filtro usado y el porta-filtro recién desmontados, tal como salieron. Gracias a las precauciones explicadas en el capítulo del depósito de combustible para evitar el agua y las bacterias, no se observa ninguna contaminación del gasoil.


https://i.postimg.cc/Njk4cCsp/IMG-1226.jpg


https://i.postimg.cc/nVX0D12h/IMG-1227.jpg


Limpiar bien el interior de la cazoleta inferior y del soporte superior con un trapo que no desprenda hilos o pelusa.

El nuevo filtro vendrá con su juego completo de juntas, que sustituirán a las antiguas:


https://i.postimg.cc/c1zfGyQs/IMG-1217.jpg


Para realizar el montaje del nuevo filtro, colocar primero el anillo tórico y la junta nuevos en el cuerpo superior del portafiltro:

La junta tórica mas pequeña va en el tornillo que fija todo el conjunto por la parte superior.


https://i.postimg.cc/05hZdJXd/IMG-1234.png


Ahora encajar el filtro en el porta-filtro superior (hace una ligera resistencia por el ajuste de la tórica contra el conducto central del filtro), colocar en la cazoleta inferior la junta que hace la estanqueidad entre ésta y el filtro y acoplarla a la parte inferior del filtro, fijándose en que esté bien colocadas en su sitio en todo el perímetro. Una vez todo en posición, colocar el tornillo de fijación del conjunto apretándolo.

Si lo habíamos sacado de su emplazamiento, ya esta listo para colocar y conectar las mangueras de entrada y salida, mejor con doble abrazadera.

Foto del conjunto montado con la nueva cazoleta de cristal:


https://i.postimg.cc/zGrj4Yry/IMG-1251.jpg


Una vez montado, abrir el grifo de salida de gasoil del depósito de combustible, purgar el circuito (como se verá en el capítulo correspondiente) y verificar que no haya fugas de gasoil en ningún punto.


.

jonam52 27-05-2023 08:36

Re: NUEVO TUTORIAL: Sistema de combustión: Mantenimiento completo de todo el sistema
 
lo de las juntas de los tapones de llenado me parece fundamental... que luego muchos le echan la culpa al gasoil de la gasolinera del puerto y muchas veces el agua entra por los tapones de llenado de mala calidad o que no se les ha cambiado la junta en 20 años.

Muy bueno el hilo :cid5:

:brindis:

Icarus 27-05-2023 11:22

Re: NUEVO TUTORIAL: Sistema de combustión: Mantenimiento completo de todo el sistema
 
CIRCUITO de ALIMENTACIÓN DE COMBUSTIBLE: REVISIÓN / CAMBIO DE LA BOMBA DE GASOIL DE BAJA PRESIÓN.


En una revisión rutinaria de mantenimiento no es necesario desmontar esta bomba, no obstante, veremos cómo se desmonta y que posibles problemas puede dar por si llegase el caso de una avería.

https://i.postimg.cc/HxJ1syby/DSC-0044-2.jpg


Esta bomba es accionada por una leva específica del árbol de levas que mueve el taquet de la parte inferior de la bomba. Éste transmite un movimiento alternativo a un diafragma. Dos válvulas de clapeta transforman en movimiento del diafragma en bombeo de gasoil a baja presión hacia el filtro del motor.

Este es el despiece de la bomba:


https://i.postimg.cc/mgrXsGYc/48423-2.jpg


La avería más probable es la rotura del diafragma. En casos más raros, puede romperse uno de los muelles o fallar la válvula de clapeta.

En caso de avería, se puede remplazar la bomba original completa por 43€ + impuestos y aduana:

https://www.parts4engines.com/volvo-...lift-pump-kit/

Si se van a hacer largas travesías, una bomba es un repuesto a tener en cuenta.

Para desmontarla hay que retirar primero los dos racores e entrada y salida de gasoil, éste último hay que soltarlo también del porta-filtro. Antes de aflojarlos, es recomendable rodearlos con un paño que recoja el goteo del gasoil para que no escurra por el motor.

A continuación, se aflojan los dos tornillos que la fijan al bloque motor y ya podemos retirarla.


https://i.postimg.cc/vZPKgmYL/DSC-0046.jpg


Una vez que la hemos sacado, podemos abrirla quitando los 6 tornillos de la parte superior que unen la diferentes partes de la misma.


https://i.postimg.cc/7hsz1jfc/IMG-1340.png


Si se observan todas las piezas en buen estado, limpiar los puntos donde hacen el cierre las válvulas y cerrar la bomba colocando una junta nueva (n12 de la figura de arriba). Apretar los tornillos presentándolos primero, y apretando después poco a poco de modo alternativo en el siguiente orden: 1, 4, 2, 5, 3, 6, 1, 4, 2 etc.

Montar la bomba en el bloque colocando una junta nueva. Según la posición del árbol de levas puede ser que el taquet de la bomba apoye en la leva y nos obligue a vencer al resorte para asentar la bomba en el bloque. Una solución para facilitar la tarea es girar el cigüeñal hasta que la leva coincida en la parte baja y haga menos resistencia.

Volver a colocar los racores poniendo las arandelas de estanquidad de cobre nuevas.

Una vez todo colocado hay que realizar el purgado del motor como se verá en un capítulo posterior y comprobar que no hay fugas.

.

Icarus 27-05-2023 18:26

Re: NUEVO TUTORIAL: Sistema de combustión: Mantenimiento completo de todo el sistema
 
CIRCUITO de ALIMENTACIÓN DE COMBUSTIBLE: CAMBIO DEL FILTRO DE GASOIL DEL MOTOR

El filtro de gasoil de motor se cambió hace cinco años y unas 500 horas de motor.

Además del filtrado de partículas sólidas del combustible, estos filtros finos de gasoil están diseñados para impedir en la medida de lo posible el paso del agua contenida en el gasoil hacia la bomba de inyección y los inyectores, que son muy sensibles al oxido que pueden generar las micro gotas de agua que les lleguen.


https://i.postimg.cc/rwGymSS3/DSC-0069-2.jpg

https://i.postimg.cc/qvHM4mC2/DSC-0048-2.jpg


Al igual que en el caso del pre-filtro, lo que voy a indicar continuación es una opinión personal y no estoy animando a no seguir las instrucciones del fabricante. Simplemente expongo como lo hago yo y el razonamiento de por qué lo hago así.

El fabricante indica el cambio del filtro de gasoil cada 200 horas o cada año. A mi particularmente me parece una frecuencia excesiva. Por un lado, como ya comentado, el filtro no se deteriora con el tiempo con lo cual no parece lógico indicar un cambio por tiempo de calendario.

En cuanto al cambio por horas de motor, la razón de especificar un número de horas es que a medida que va filtrando el gasoil, el filtro va reteniendo las micro-impurezas del mismo y ello conlleva una mayor resistencia al paso del combustible pues el filtro se va tupiendo y se van tapando los micro-orificios por los que circula el gasoil. Como el filtro recibe el gasoil de una bomba de baja presión, en un caso extremo de que el filtro estuviese excesivamente tupido, podría reducir el caudal de gasoil hasta hacerlo insuficiente para la demanda del motor.

El fabricante vende motores que van a trabajar en todas las partes del mundo, en algunos sitios con gasoil de muy baja calidad y su recomendación tiene que ser para el peor de los casos en los que va a trabajar el motor.

A lo largo de las 200 horas que indica el fabricante, el motor habrá consumido alrededor de 400 litros de combustible, lo cual no es mucho para este filtro si usamos gasoil de buena calidad. Además el gasoil viene pre-filtrado por otro filtro mas basto que retuvo las partículas mayores de 10 micrones. Este retiene hasta 2 micrones.

Yo hago unas 100 horas de motor al año y cambio este filtro cada 5 años, Es decir, cada 1.000 litros filtrados, sin haber tenido nunca el más mínimo problema debido a ello en mas de 30 años.

En automoción se suele cambiar cada 50.000 km, es decir, aproximadamente cada 3.000 litros filtrados

Por lo comentado, utilizando gasoil de confianza, a mí me parece razonable cambiar el filtro de gasoil del motor cada 5 años o cada 500 horas, lo que ocurra antes, siempre que haya un pre-filtro en el circuito.


Para cambiar el filtro, lo primero es cerrar la llave de la salida de gasoil del depósito.

Tener preparado un recipiente para vaciar el gasoil del filtro usado.

A continuación, para evitar que caiga gasoil por los recovecos del motor, que es mas difícil de limpiar, colocar un paño debajo del filtro que abarque la zona de posibles goteos.

Colocar una bolsa plástica (sin agujeros) alrededor del filtro de modo que sus bordes queden mas altos que la parte superior del filtro, para recoger el gasoil que inevitablemente va a salir al aflojar el filtro. Una buena opción son las bolsas plásticas con labios de cierre estanco.


https://i.postimg.cc/bYGtvBd5/IMG-1321.jpg


Con una llave de filtros, aflojar el filtro lo suficiente para poder continuar desenroscando a mano.

Una vez sacado el filtro, y vaciado su contenido al recipiente que tenemos preparado, se cierra la bolsa con el filtro usado dentro.

Humedecer la junta de goma del nuevo filtro con un poco de gasoil y enroscarlo a mano hasta que la junta haga contacto con el porta-filtro y a partir de ahí enroscarlo media vuelta más.


https://i.postimg.cc/LsNHk2QV/IMG-1253.png


Abrir la llave de salida de gasoil del depósito, purgar el filtro y comprobar que no hay fugas.

Puede ocurrir que, dependiendo del tamaño del filtro, queda muy ajustado contra el bloque del motor y tropieza con éste al desenroscarlo. Pasa con los filtros originales, tanto de Volvo como de Perkins. En este caso será necesario desmontar el porta-filtro para realizar el cambio. Hay otros filtros equivalentes cuyo formato es un poco mas de diámetro y menos altura con lo cual el problema se soluciona. Ver imagen comparativa:


https://i.postimg.cc/JtVm7ntR/IMG-1330.jpg


Como tenía montado un filtro original de Volvo y voy a montar uno equivalente de Perkins (que es el fabricante de este motor y es más barato), en mi caso tengo que desmontar el porta-filtro.

Para ello, ponemos debajo trapos para recoger los goteos de gasoil sobre el motor. Primero aflojamos la abrazadera y desconectamos del porta-filtro la manguera que va hacia la bomba de inyección, dejando su extremo elevado para que no gotee. A continuación aflojamos y sacamos el tornillo del racor de entrada de gasoil al porta-filtro (el conducto que viene de la bomba de gasoil de baja presión) teniendo cuidado de recoger las dos arandelas de estanqueidad de cobre que hay a cada lado del racor.


https://i.postimg.cc/76RwcXkG/IMG-1334.png


Sacar los dos tornillos de sujeción del porta-filtro, y ya podemos retirar todo el conjunto.

Vaciar el gasoil por el hueco del racor de entrada inclinando el conjunto hacia ese lado. Una vez vaciado, desenroscar el filtro del porta-filtro con la ayuda de una llave de filtros. Limpiar bien el interior del porta-filtro con un paño que no suelte pelusa.


https://i.postimg.cc/43JfhmPd/IMG-1327.png


Humedecer la junta de goma del nuevo filtro con un poco de gasoil y enroscarlo a mano hasta que la junta haga contacto con el porta-filtro y a partir de ahí enroscarlo media vuelta más.

https://i.postimg.cc/RFhvXyjx/IMG-1333.jpg


Montar el conjunto en su posición y colocar primero el racor de entrada de gasoil con arandelas nuevas de cobre a cada lado y roscando el tornillo del racor sin apretar, solo presentado. A continuación fijar el porta-filtro al bloque con los dos tornillos de sujeción y apretarlos. Ahora ya se puede apretar el tornillo del racor de entrada de gasoil. Colocar la manguera de salida con su abrazadera y apretarla.

Abrir la llave de salida de gasoil del depósito, purgar el filtro (como se verá más adelante) y comprobar que no hay fugas.


Erikblade 27-05-2023 20:14

Re: NUEVO TUTORIAL: Sistema de combustión: Mantenimiento completo de todo el sistema
 
Gran trabajo Icarus, eternamente agradecido al igual que el resto de cofrades por tus tutoriales.

Sin embargo un apunte.

La junta del filtro nuevo no es mejor humedecerla con aceite de motor nuevo?? Lo digo porque siempre lo he hecho así (vamos así es como lo aprendí) y lo del gasoil me ha chocado.

charlypeter2000 27-05-2023 22:12

Re: NUEVO TUTORIAL: Sistema de combustión: Mantenimiento completo de todo el sistema
 
Yo acabo de hacer hace dos semanas el cambio de filtros de aceite y combustible de mi Volvo MD2040 por primera vez (antes tenía un velerito con un fb Yamaha 8hp) La verdad que este tutorial me hubiese ahorrado bastante tiempo :adoracion: Como comenta el anterior cofrade según el manual de Volvo hay que aplicar un poco de aceite nuevo a la junta del filtro de gasoil.
El sistema de refrigeración y codo de escape si que lo hice siguiendo el fantástico tutorial de Icarus. Te mereces está ronda y muchas más.
:brindis::brindis:

Icarus 27-05-2023 23:04

Re: NUEVO TUTORIAL: Sistema de combustión: Mantenimiento completo de todo el sistema
 
Cita:

Originalmente publicado por Erikblade (Mensaje 2414636)
Gran trabajo Icarus, eternamente agradecido al igual que el resto de cofrades por tus tutoriales.

Sin embargo un apunte.

La junta del filtro nuevo no es mejor humedecerla con aceite de motor nuevo?? Lo digo porque siempre lo he hecho así (vamos así es como lo aprendí) y lo del gasoil me ha chocado.

Se puede hacer con aceite de motor o con gasoil. El gasoil al fin y al cabo es un “aceite” y lubrica que es de lo que se trata para poder girar el filtro cuando la junta de goma toca el portafiltro. Sin algo que lubrique la goma se agarraria.

Icarus 28-05-2023 11:57

Re: NUEVO TUTORIAL: Sistema de combustión: Mantenimiento completo de todo el sistema
 
CIRCUITO de ALIMENTACIÓN DE COMBUSTIBLE: BOMBA DE INYECCIÓN Y MECANISMO DE REGULACIÓN.


En un mantenimiento rutinario como el que trata este tutorial, no será necesario tocar la bomba de inyección, no obstante, como es una parte muy importante del circuito de combustión del motor, me parece interesante realizar algunos comentarios sobre su funcionamiento.

La bomba de inyección está fabricada por Nipon-Denso para el MD2010, 2020 y 2030 y por Bosh para el MD2040

La bomba de inyección mecánica es una pieza de alta precisión y no es recomendable que sea manipulada sin los conocimientos adecuados. Solamente se desmontará cuando haya algún problema de funcionamiento achacable a la misma.


https://i.postimg.cc/mkzLHrPz/DSC-0044-2.jpg


La bomba de inyección del MD2030 es tipo Bosch y formato PE, es decir, que no tiene árbol de levas propio, si no que utiliza el mismo árbol de levas empleado para accionar las válvulas de admisión y escape y la bomba de baja. Debido a ello no es posible variar el avance de inyección mediante el giro del árbol de levas como en las bombas que tienen su propio árbol de levas.

El avance de inyección significa que la inyección de gasoil a los cilindros se produce antes de que el pistón llegue al punto muerto superior. Se mide en grados de giro del cigüeñal. En este motor el avance de inyección es fijo y es, según el año de fabricación, de 21.5 o de 22.5 grados del cigüeñal antes del punto muerto superior.

La siguiente imagen es del árbol de levas del MD2030 que es único para todas las funciones:


https://i.postimg.cc/Z5rqH0V6/arbol-de-levas.png


Las levas marcadas “A” accionan las válvulas de admisión y escape. Las marcadas “B” accionan los émbolos de la bomba de inyección de cada cilindro. La “C” acciona la bomba de gasoil de baja.

La misión de la bomba de inyección es suministrar una cantidad precisa de gasoil (según la posición del acelerador), en el instante preciso, y a la presión requerida para conseguir la apertura del inyector.

Para conseguirlo, se emplea un sistema de pistones accionados por levas y que se mueven dentro de unos cilindros que poseen unos orificios de alimentación de combustible. El pistón tiene una ranura lateral que se comunica con un rebaje en diagonal llamado rampa sesgada.

En la siguiente figura se explica el funcionamiento:

- En “1” el émbolo está en su PMI y los orificios de alimentación laterales están abiertos permitiendo el acceso del gasoil al cilindro de la bomba.

- En “3” en émbolo está en la posición de inicio de bombeo.

- En “4” la presión del combustible al ascender el émbolo hace abrirse la válvula de presión de la parte superior y el gasoil fluye a alta presión hacia el inyector.

- En “5” la rampa sesgada del pistón (que está conectada con la cabeza por la ranura lateral) descubre el orificio de salida con lo cual cesa la presión, finaliza la inyección y se cierra la válvula superior que se había abierto por la elevada presión. La válvula incluye una zona maciza cuyo volumen al bajar se resta al de la tubería que conduce al inyector, y provoca un vacío en el combustible y por tanto el cese inmediato de la inyección.

- En “2” el embolo se encuentra en la posición de suministro nulo con la acanaladura vertical situada frente a uno de los orificios de alimentación, de modo que, aunque ascienda no bombeará nada de gasoil. Esta posición es la que se emplea para apagar el motor.


https://i.postimg.cc/Bv4nVsVk/bomba-...ccion-02-2.jpg


Para variar la cantidad de combustible bombeado, existe un mecanismo de cremallera o corredera (nº8 en la figura de abajo) que gira los émbolos de modo que la rampa sesgada lateral de los mismos descubra antes o después el orificio lateral del cilindro. Puede verse el sistema en la siguiente ilustración: la cremallera hace girar una camisa exterior que está unida en su parte inferior al vástago del embolo.


https://i.postimg.cc/vBmHGhMv/1.png


En la siguiente imagen de la bomba se ha marcado la corredera y el muñón donde se acopla la barra de mando de la corredera, que viene accionada por el acelerador y por el sistema de regulación mecánico del motor que veremos también en este capítulo.


https://i.postimg.cc/nhtFXppr/m30-in...mp-58412-2.jpg


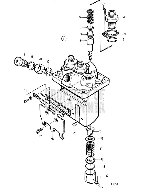
Y el despiece de la bomba donde se ven los distintos componentes:


https://i.postimg.cc/fTdWWJ41/48422-2.jpg


Si se desmonta la bomba de inyección para llevarla a revisar a un taller especializado, cuando se vuelva a montar será necesario ajustar el punto exacto del inicio de la inyección. Esta parte no se tratará debido a su mayor dificultad y a que no es una tarea de mantenimiento rutinario, que es el objeto de este tutorial.

Si por alguna razón se desmonta la bomba de inyección y sin modificarle nada se vuelve a montar, es importante volver a colocar los mismos suplementos calibrados que había entre la bomba y el bloque porque así no variará el punto de inyección. Estos suplementos calibrados se emplean precisamente para ajustar el avance de la inyección.

CONTINUARA EN OTRO POST

.

Icarus 28-05-2023 12:12

Re: NUEVO TUTORIAL: Sistema de combustión: Mantenimiento completo de todo el sistema
 
Un mecanismo muy importante, que actúa sobre la bomba de inyección y que es un gran olvidado es el MECANISMO DE REGULACIÓN MECÁNICO.

Este mecanismo no necesita mantenimiento rutinario, pero dado que pueden fallar alguna de sus partes y provocar el mal funcionamiento del motor, vamos a explicar cómo funciona para que, llegado el caso de ese mal funcionamiento, sea más fácil de identificar si éste es el causante.

Cuando movemos la palanca del acelerador a las revoluciones deseadas, el regulador de velocidad es el elemento que mantiene esas revoluciones del motor constantes. Además, este mecanismo limita las revoluciones máximas que puede alcanzar el motor, con carga o en vacío, para evitar daños en el mismo. También compensa las variaciones de carga del motor actuando sobre la corredera de la bomba de inyección variando la cantidad de gasoil, para mantener las revoluciones lo más constantes posible.

Si este mecanismo sufre una avería, el motor presenta una marcha irregular variando las r.p.m. sin que toquemos el acelerador, puede no subir de revoluciones o apagarse solo. Las averías, si se producen, suelen venir de algún resorte del mecanismo que se suelta o se rompe.

Cuando falla este sistema, lo cual es poco frecuente, se tiende a achacar la marcha irregular del motor a filtros sucios, problemas de inyectores, moco del gasoil, codo de escape tapado etc, etc y generalmente nadie se acuerda del sistema de regulación con lo cual no se consigue solucionar el problema.


En el MD2030 este mecanismo se encuentra detrás de la tapa indicada en esta imagen:


https://i.postimg.cc/FF8sQ06j/IMG-9215.jpg


Funciona actuando sobre la corredera de la bomba de inyección, pero sin interferir con el acelerador.

Esquemáticamente el mecanismo es como se indica en esta figura:


https://i.postimg.cc/yxMVXzRf/regula...de-verdad.webp


El funcionamiento es el siguiente: cuando el motor está girando a unas revoluciones determinadas, sin tocar el acelerador, si las revoluciones tienden a aumentar, la fuerza centrífuga sobre los pesos aumenta y estos vencen el muelle separándose. Las palancas acodadas tiran del collar hacia la derecha de la figura y este a su vez tira de la deslizadera. Como la barra de transmisión vertical gira sobre el punto marcado con la flecha “dado deslizante”, si la deslizadera de la parte inferior se desplaza a la derecha, entonces la parte superior de la barra se desplazará hacia la izquierda y, a través de la varilla de regulación, moverá la cremallera hacia la izquierda, girando el embolo de la bomba y reduciendo la cantidad de gasoil suministrado.

Si por el contrario las revoluciones tienden a bajar, los contrapesos se acercarán y todo el mecanismo se moverá al revés qué en el caso anterior, moviendo la cremallera hacia la derecha, girando el embolo y aumentando el suministro de gasoil.

En el caso del MD2030 el despiece del mecanismo es el de la siguiente figura:


https://i.postimg.cc/q7wvfSfR/15095.jpg


En las piezas que van en la parte interior de la carcasa se puede observar arriba la varilla de regulación y el pasador “28” que la une a la cremallera de la bomba de inyección.

Como comentado, si hay un problema con este mecanismo generalmente será debido a la rotura o desprendimiento de alguno de los muelles “22”, “26” o “27” de la figura anterior.

En las fotos de abajo (extraídas del manual de Volvo) se pueden ver las piezas tal como van montadas:


https://i.postimg.cc/ydWBMNXQ/IMG-1345.png


https://i.postimg.cc/QdkX5wdb/IMG-1233.png


https://i.postimg.cc/G2Nrd1Xc/IMG-1342.png


Las piezas que son visibles desde el exterior del motor:


https://i.postimg.cc/zBPDvhGY/DSC-0050.jpg


Los tornillos de ajuste de máximo suministro de gasoil y de máximas revoluciones del motor vienen ajustados de fábrica y no se deben de tocar, por ello están protegidos por un encapsulado.

Con el tornillo de ajuste de ralentí se ajusta éste, que debe de estar entre 800 y 850 rpm. Cuando se proceda al ajuste, aflojar si es necesario la tuerca del final del cable para que no limite el desplazamiento de la palanca. Lo que debe limitar la posición de la palanca es el tornillo. Una vez ajustado el ralentí, la holgura (“6” de la figura) debe de ser de 3 mm, ajustando para ello la tuerca “8”.


https://i.postimg.cc/y8qd00XV/Ajuste-ralent.png


No hay más ajuste a realiza en ese mecanismo.

.

Icarus 29-05-2023 11:47

Re: NUEVO TUTORIAL: Sistema de combustión: Mantenimiento completo de todo el sistema
 
CIRCUITO de ALIMENTACIÓN DE COMBUSTIBLE: REVISIÓN Y LIMPIEZA DE LOS INYECTORES.


Los inyectores del MD2030 son del tipo “mecánico de espiga” y están fabricados por Nipon- Denso.

En un mantenimiento rutinario no es necesario desmontar o limpiar los inyectores.

En este motor, del año 2005 y con 1.850 horas de funcionamiento, nunca fueron desmontados.
Arranca al primer segundo de dar el contacto y no salen humos en el escape.

El fabricante recomienda hacer una prueba de presión cada dos años o 400 horas.

Una vez más, en mi opinión y usando gasoil de buena calidad, los inyectores pueden hacer perfectamente su trabajo muchas más horas sin necesidad de ser desmontados o comprobados.

Un buen indicador de su estado es la cantidad y aspecto de los humos de escape. Humos negros indican combustible sin quemar, bien porque están sucios y gotean gasoil, bien porque ha bajado la presión a la que inyectan el combustible y la pulverización no es adecuada, o bien porque acusan desgaste en las toberas.

Por si esto fuese el caso, vamos a comentar cómo funcionan y como se sacan los inyectores.

El esquema de funcionamiento del inyector mecánico de espiga es el siguiente:


https://i.postimg.cc/d3N73v0Q/29-1.jpg


El gasoil procedente de la bomba de inyección (gasoil de color rosa en la imagen) entra a alta presión por la parte superior del inyector. Cuando la presión alcanza los 120 kg/cm2, el gasoil hace suficiente fuerza en el cono inferior de la aguja del inyector como para vencer al muelle que la empuja hacia abajo. Entonces la aguja se desplaza hacia arriba y abre el paso de gasoil hacia la salida de la tobera, por donde sale finamente pulverizado a alta presión.

Como vimos en el apartado de la bomba de inyección, al final de la inyección la presión cesaba de golpe con lo cual, en ese momento, la aguja baja impulsada por el resorte y cesa instantáneamente la salida de gasoil pulverizado.

El gasoil excedente sale por el tubo de rebose y vuelve al depósito de combustible por el conducto de retorno.

Vamos a ver ahora cómo desmontar los inyectores. En estas operaciones en las que está implicada la bomba de inyección o los inyectores, la limpieza de la zona es muy importante para evitar la penetración de partículas o suciedad en los inyectores o en el hueco de los mismos por los que caerían hacia los cilindros. Limpiar cuidadosamente con un pincel todo el entorno del alojamiento de los inyectores hasta que no quede nada de suciedad. Hay que tener en cuenta que vamos a trabajar con piezas de alta precisión que tienen tolerancias de 2 milésimas de milímetro, y cualquier impureza, por pequeña que sea, puede causar un problema.

Los 3 inyectores están conectados a la bomba de inyección por tres conductos con sus respectivos terminales a ambos lados:


https://i.postimg.cc/9F40b6MT/IMG-0840.jpg


https://i.postimg.cc/L81q9cFR/DSC-0045.jpg


La primera operación consiste en aflojar las tuercas de los terminales de los 3 conductos de alimentación que van desde la bomba inyectora hasta los inyectores, retirando con cuidado los tres conductos que se mantendrán unidos por las pletinas de conexión. Para evitar la entrada de impurezas a los conductos, es conveniente meterlos en una bolsa estanca nueva. En la entrada del inyector se coloca un tapón especial para inyectores para evitar entrada de impurezas.


https://i.postimg.cc/gjgM0wRw/IMG-1254.jpg


https://i.postimg.cc/fLj26qRf/IMG-1255.jpg


A continuación, se aflojan las abrazaderas y se desconecta la manguera de goma del conducto de retorno del gasoil.

https://i.postimg.cc/W4cdh5sZ/DSC-0069.jpg


A continuación, se sacan las tuercas de la parte superior de cada inyector y el tornillo del racor que une el conducto de retorno del gasoil a la bomba de inyección y se retira dicho conducto. Volver a poner el tornillo del racor en la bomba de inyección, solo presentado, sin apretar. El conducto de retorno también es conveniente meterlo en una bolsa estanca nueva para preservarlo de las impurezas.


https://i.postimg.cc/90ym5hqN/IMG-1258.png


https://i.postimg.cc/jq6YbvF9/IMG-1265.jpg


Ahora ya están libres los inyectores y podemos proceder a sacarlos. Van roscados a la culata y vamos a necesitar una llave de vaso larga para aflojarlos. La arandela de cobre con las dos perforaciones que está entre el inyector y el conducto de retorno se pondrá nueva cuando se reinstalen:


https://i.postimg.cc/YC95Q7CK/IMG-1276.jpg

CONTINUA EN OTRO POST

Icarus 29-05-2023 11:59

Re: NUEVO TUTORIAL: Sistema de combustión: Mantenimiento completo de todo el sistema
 
Aflojamos los inyectores y los desenroscamos con cuidado de que no caigan impurezas por el hueco que dejan y los sacamos. Entre el inyector y la culata va una arandela de estanqueidad de cobre que probablemente se quede en el fondo del hueco. La recuperamos con un destornillador pequeño.

El inyector se debe de meter en una bolsa estanca limpia. Este es el aspecto del inyector tal y como salió, antes de limpiarlo. Como puede verse hay ausencia total de carbonilla:


https://i.postimg.cc/W11vSrSy/IMG-1278.jpg


https://i.postimg.cc/BQvYVg92/IMG-1279.jpg


Tapar el agujero del fondo del hueco dejado por el inyector (por ejemplo, con un trozo de papel de cocina) para evitar la entrada de partículas y limpiar la rosca de dicho hueco y a continuación la superficie del fondo contra la que hace el sellado la arandela de cobre. Se puede usar un paño limpio y un pincel pequeño.


https://i.postimg.cc/bJt8khLN/IMG-1280.png


Los inyectores se llevaron a un taller especializado en bombas de inyección e inyectores para verificar la presión de inyección (nominal de 120 Kp/cm2 y tolerancia 115-125 Kp/cm2), chequear el estado de desgaste de las toberas, y el posible goteo y la forma del jet de gasoil.

Según comentado por el taller de inyección, las toberas presentaban un ligero desgaste normal con las horas de uso (casi 2.000 horas y 18 años), algo más acusado en el inyector del cilindro nº 3. En esas horas de uso, hizo más de 100 millones de inyecciones cada inyector. Aunque el desgaste es leve, dado que el coste es de 50€ por inyector y que los inyectores están desmontados de su sitio, la decisión es cambiar las toberas y agujas por unas nuevas y realizar el tarado de la presión de inyección, con lo cual, por 150€ en total quedarán como el primer día.

Aquí podemos ver los inyectores ya preparados con toberas y agujas nuevas:


https://i.postimg.cc/DzGYcwVD/IMG-1354.png


Aquí se puede apreciar el conjunto tobera/aguja antigua con su forma cónica como se comentó en la parte relativa al funcionamiento del inyector:


https://i.postimg.cc/vZJ0Dw1v/IMG-1359.png


Para volver a montarlos, una vez bien limpio el alojamiento, ponemos arandelas de estanqueidad de cobre nuevas y roscamos el inyector en su sitio. Realizaremos el apriete con una llave dinamométrica ajustada a 85 Nm.


https://i.postimg.cc/D01XCRf7/IMG-1362.jpg


Una vez colocados y apretados todos, verificar que están colocadas las arandelas nuevas de cobre con las dos perforaciones que van entre el inyector y el conducto de retorno.

Colocamos el conducto de retorno en los tres inyectores y en la bomba de inyección (habremos sacado antes el tornillo del racor). Primero enroscamos a mano el tornillo del racor que une el conducto a la bomba sin apretarlo.


https://i.postimg.cc/L4GDxMDF/IMG-1367.png


A continuación, ponemos los tapones de los inyectores para preservarlos de la entrada de partículas de suciedad de la llave de vaso, y apretamos las tuercas que fijan el conducto al inyector con llave dinamométrica ajustada a 25 Nm. Apretar el tornillo del racor de salida de la bomba que habíamos presentado a mano.


https://i.postimg.cc/66Zn54rF/IMG-1369.jpg


Presentar en su posición el conjunto de los tres conductos de suministro de gasoil a los inyectores desde la bomba inyectora, verificando que estén bien derechos y centrados en los orificios.

Enroscar las 6 tuercas a mano (3 a la bomba y 3 a los inyectores). Apretar con llave dinamométrica las tres tuercas del lado de la bomba con un par de 20 -25 Nm.

NO apretar las tuercas del lado de los inyectores pues es necesario que estén sueltas para realizar el purgado que se verá en capítulo específico.


https://i.postimg.cc/XJHNcL6Q/IMG-1122.png


Conectar la manguera de retorno de gasoil a la salida del conducto de retorno metálico apretando las dos abrazaderas (No olvidarse de esto, si no al arrancar el motor saldrá por ahí el gasoil de retorno y caerá en el interior del barco).


https://i.postimg.cc/0jyM9rPH/DSC-0091.jpg


Con esto ya han quedado instalados de nuevo los inyectores, a falta realizar el purgado que veremos en el siguiente apartado.

.

lukas 29-05-2023 13:41

Re: NUEVO TUTORIAL: Sistema de combustión: Mantenimiento completo de todo el sistema
 
Vaya master Icarus, muchísimas gracias.
Un placer encontrar gente así, con tanta generosidad.
:brindis:

Icarus 29-05-2023 17:53

Re: NUEVO TUTORIAL: Sistema de combustión: Mantenimiento completo de todo el sistema
 
CIRCUITO de ALIMENTACIÓN DE COMBUSTIBLE: PURGADO DE TODOS LOS COMPONENTES.


La existencia de aire en el circuito de gasoil puede provocar un funcionamiento irregular del motor o la parada completa del mismo. Es por ello que después de realizar cualquiera de las operaciones descritas hasta ahora, será necesario purgar el circuito de gasoil para eliminar cualquier traza de aire.


PURGADO DEL PREFILTRO DE GASOIL:

Si hemos vaciado el depósito para su limpieza o si hemos cambiado el pre-filtro de gasoil, lo primero que tenemos que purgar es precisamente el pre-filtro.

Si como es lo más habitual, el pre-filtro está más bajo que el depósito de combustible, primero, con el tornillo de purga cerrado, bombearemos con la palanca de la bomba de baja un minuto para aspirar gasoil del depósito y asegurar que el conducto desde el depósito hasta la entrada del pre-filtro esté lleno de gasoil. (la palanca debe hacer una pequeña resistencia, si no, girar el motor a mano para mover la posición de la leva, hasta que se note resistencia).


https://i.postimg.cc/FKmmVkjR/DSC-0044.jpg


A continuación, ponemos un recipiente debajo para recoger el gasoil que pueda gotear, y un papel de cocina absorvente alrededor del tornillo de purga del pre-filtro y lo abrimos un par de vueltas para que vaya saliendo el aire a medida que va entrando gasoil del depósito que fluirá por gravedad al estar más bajo que el depósito. Como el filtro y la cazoleta están vacíos, puede tardar un rato.

Cuando solo salga gasoil sin burbujas por el tornillo de purga lo cerramos y lo apretamos.


Hay dos formas de facilitar y acelerar el proceso:

1- Instalar una pera de bombeo manual de gasoil en el conducto un poco antes del pre-filtro, o un porta-filtro con cebador, de modo que podamos bombear a mano más rápido y sin necesidad de actuar primero sobre la palanquita de la bomba de baja.


https://i.postimg.cc/vHgQYsYQ/D-NQ-N...-112022-O.webp


https://i.postimg.cc/t4Fp6Nnw/FILTRO...DOR-i3559.webp


2- O, soltar la manguera de aireación del depósito de gasoil (no el retorno de gasoil, ojo) y ponerle una prolongación que llegue hasta el motor. Si soplamos por ese extremo, metemos presión al depósito y el gasoil fluye rápidamente así bombeado hacia el pre-filtro y hacia la bomba de baja presión. Como es una operación que hago cada dos años, esta segunda opción es la que utilizo, para evitar más uniones en los conductos.


https://i.postimg.cc/28ZDp7Gy/IMG-1374.png


Si el pre-filtro está más alto que el depósito, habrá que utilizar cualquiera de estas dos últimas opciones para bombear el gasoil hacia el pre-filtro mientras abrimos el tornillo de purga para que salga el aire.



PURGADO DEL FILTRO DE GASOIL DEL MOTOR:

Si hemos cambiado este filtro tendremos que realizar este purgado. Si por alguna razón ha entrado aire en el circuito, purgamos primero el pre-filtro como comentado y después este filtro del motor.

Para ello, ponemos un papel de cocina absorvente alrededor del tornillo de purga del filtro y abrimos el tornillo un par de vueltas. Colocar un trapo debajo para recoger el gasoil que goteará.


https://i.postimg.cc/Y9CHJcDB/DSC-0069-2.jpg


A continuación, bombear manualmente con la palanquita de la bomba de gasoil hasta que salga gasoil sin aire por el tornillo de purga. Cuando sale solo gasoil, sin aire, cerrar el tornillo sin dejar de bombear, y después apretarlo. Tener en cuenta qué si se cambió el filtro y está lleno de aire, será necesario bombear un rato antes de que el gasoil llegue al tornillo de purga.

Si no se nota algo de resistencia al bombear rápido, entonces girar el motor a mano para mover la posición de la leva que acciona la bomba, hasta que se note cierta resistencia al accionar rápidamente la palanca.



PURGADO DE INYECTORES Y CONDUCTOS DE SUMINISTRO DESDE LA BOMBA INYECTORA.

Si hemos sacado los inyectores o los conductos que le suministran el gasoil desde la bomba de inyección, entonces será necesario purgar esta parte del sistema.

Partimos de inyectores colocados en su sitio y apretados al par fijado por el fabricante.

Los conductos de alta que van de la bomba de inyección a los inyectores deben de estar con las tuercas que los fijan a la bomba apretadas, y las que los fijan a los inyectores desenroscadas hasta que queden con solo una vuelta de rosca, de modo que el gasoil pueda salir por fuera.

El hecho de dejarlos con una vuelta de rosca es para que salga por fuera el gasoil pero que también otra parte de gasoil caiga dentro del inyector y lo rellene para facilitar el arranque.


https://i.postimg.cc/MZ4SrFyg/IMG-1122.png


Poner un papel de cocina absorvente rodeando la rosca del inyector que queda debajo de la tuerca, haciendo buen contacto de modo que podamos distinguir más adelante cuando se humedece porque sale gasoil por el conducto.

Poner la palanca de aceleración del morse a tope de gas (sin engranar la marcha).

Dar el contacto y hacer girar el motor con el motor de arranque durante 10 segundos y dejar descansar la batería y el propio motor de arranque un par de minutos. Volver a dar contacto durante otros 10 segundos, descansar otros dos minutos y así sucesivamente.

Después de cada vez que se da contacto, verificar si el papel absorvente se ha humedecido con gasoil que ya sale por el conducto. Debería de ocurrir tras dar contacto cuatro o cinco veces.

Cuando esto ocurra en los tres conductos, apretar las tuercas que unen los conductos a los inyectores con llave dinamométrica ajustada a 25 Nm.

Con la llave de contacto, conectar los calentadores durante 10-12 segundos y dar contacto de arranque con el morse a tope de gas. Si hemos hecho todo correctamente, el motor debe de arrancar en un par de segundos y girar redondo y sin titubeos. Lógicamente, en cuanto arranca quitamos gas porque el motor está frio.

Una vez que terminamos todas las tareas de cambios de filtros y purgados, el motor se habrá manchado de gasoil, aunque hayamos tomado todas las precauciones. Para evitar olores a gasoil dentro del barco, se puede lavar el motor con una esponja con agua y jabón de lavavajillas, secándolo después con un trapo. Al arrancarlo y calentarse se evaporará cualquier resto de humedad y tendremos un motor limpio y sin olores.


https://i.postimg.cc/k4YmCjL6/Motor.jpg


NOTA AL MARGEN:

Para visualizar mejor algunas zonas difíciles de ver en el motor durante las tareas descritas hasta ahora, son muy útiles los espejos de mecánica, cuyo ángulo se puede ajustar para poder ver el lugar más recóndito.


https://i.postimg.cc/fR7QyW6h/IMG-1371.jpg

Icarus 30-05-2023 14:42

Re: NUEVO TUTORIAL: Sistema de combustión: Mantenimiento completo de todo el sistema
 
CIRCUITO DE ALIMENTACIÓN DE AIRE

Una vez finalizado el mantenimiento de todo el circuito de alimentación del gasoil a los cilindros, vamos a realizar ahora el mantenimiento del sistema de alimentación de aire a los cilindros, que se mezclará con el gasoil para la combustión del mismo.


CIRCUITO de ALIMENTACIÓN DE AIRE: REVISIÓN Y LIMPIEZA DEL FILTRO DE AIRE.

Lavado y aceitado hace dos años.

El fabricante recomienda la limpieza del filtro con aire comprimido cada dos años.

El filtro de aire original consiste en una simple espuma con un resorte interior que le ayuda a mantener la forma. La espuma es de mala calidad y se degrada con el tiempo, pudiendo llegar en casos extremos a ser aspirada por el motor, con el problema que ello conllevaría.


https://i.postimg.cc/Prd7Jy9f/DSC-0088.jpg


El mejor mantenimiento de este filtro consiste en lavarlo con agua y lavavajillas y tras enjuagarlo bien, dejarlo secar completamente.

Aunque estos motores trabajan habitualmente en un entorno sin polvo, hay ocasiones en las que, por ejemplo, llegan a nuestras latitudes olas de polvo sahariano en suspensión que será aspirado al interior de la caja del motor si esta funcionando en ese momento. Es por ello conveniente rociar el filtro ya seco con un spray de aceite de baja viscosidad especial para filtros, que ayuda a retener en el filtro cualquier partícula de polvo.

Por lo comentado más arriba sobre la baja calidad del filtro original, a mi motor le he cambiado este año dicho filtro por este otro filtro de algodón, que también es lavable y admite aceitado igual que el original, pero que es de mucha mejor calidad. El mantenimiento es similar al indicado para el filtro original. Costó 22€.


https://i.postimg.cc/ZY8gJ2fD/md2020-air-79995.jpg


La admisión de estos motores tiene una sonoridad bastante elevada. Me da la impresión que con el nuevo filtro se reduce ligeramente el ruido de admisión. Es una apreciación subjetiva pues no he medido decibelios antes y después del cambio.


https://i.postimg.cc/c4TbnYGR/IMG-0602.png


No hay mucho más que comentar con respecto al filtro del aire de admisión.

.

Reivah 30-05-2023 14:50

Re: NUEVO TUTORIAL: Sistema de combustión: Mantenimiento completo de todo el sistema
 
Cita:

Originalmente publicado por Icarus (Mensaje 2415061)
CIRCUITO DE ALIMENTACIÓN DE AIRE



Una vez finalizado el mantenimiento de todo el circuito de alimentación del gasoil a los cilindros, vamos a realizar ahora el mantenimiento del sistema de alimentación de aire a los cilindros, que se mezclará con el gasoil para la combustión del mismo.





CIRCUITO de ALIMENTACIÓN DE AIRE: REVISIÓN Y LIMPIEZA DEL FILTRO DE AIRE.



Lavado y aceitado hace dos años.



El fabricante recomienda la limpieza del filtro con aire comprimido cada dos años.



El filtro de aire original consiste en una simple espuma con un resorte interior que le ayuda a mantener la forma. La espuma es de mala calidad y se degrada con el tiempo, pudiendo llegar en casos extremos a ser aspirada por el motor, con el problema que ello conllevaría.





https://i.postimg.cc/Prd7Jy9f/DSC-0088.jpg





El mejor mantenimiento de este filtro consiste en lavarlo con agua y lavavajillas y tras enjuagarlo bien, dejarlo secar completamente.



Aunque estos motores trabajan habitualmente en un entorno sin polvo, hay ocasiones en las que, por ejemplo, llegan a nuestras latitudes olas de polvo sahariano en suspensión que será aspirado al interior de la caja del motor si esta funcionando en ese momento. Es por ello conveniente rociar el filtro ya seco con un spray de aceite de baja viscosidad especial para filtros, que ayuda a retener en el filtro cualquier partícula de polvo.



Por lo comentado más arriba sobre la baja calidad del filtro original, a mi motor le he cambiado este año dicho filtro por este otro filtro de algodón, que también es lavable y admite aceitado igual que el original, pero que es de mucha mejor calidad. El mantenimiento es similar al indicado para el filtro original. Costó 22€.





https://i.postimg.cc/ZY8gJ2fD/md2020-air-79995.jpg





La admisión de estos motores tiene una sonoridad bastante elevada. Me da la impresión que con el nuevo filtro se reduce ligeramente el ruido de admisión. Es una apreciación subjetiva pues no he medido decibelios antes y después del cambio.





https://i.postimg.cc/c4TbnYGR/IMG-0602.png





No hay mucho más que comentar con respecto al filtro del aire de admisión.



.

¿Podrías indicar la referencia del nuevo filtro y dónde conseguirlo?

Enviado desde mi M2012K11AG mediante Tapatalk


Todas las horas son GMT +1. La hora es 13:11.

Powered by vBulletin® Version 3.7.0
Copyright ©2000 - 2025, Jelsoft Enterprises Ltd.
© La Taberna del Puerto