La Taberna del Puerto Freedom sea
"Se navega por los astros, por la mar, por la tierra, por las gentes, por los sentimientos...Se navega." Altair
VHF: Canal 77   
Regresar   La Taberna del Puerto > Foro > Foros Náuticos > Foro Náutico Deportivo

Avisos

Responder
 
Herramientas Estilo
  #1  
Antiguo 28-06-2023, 23:57
Avatar de Icarus
Icarus Icarus esta desconectado
Corsario
 
Registrado: 05-01-2010
Localización: Rias Bajas
Edad: 67
Mensajes: 1,663
Agradecimientos que ha otorgado: 665
Recibió 1,874 Agradecimientos en 777 Mensajes
Sexo:
Predeterminado Para expertos en electrónica: ST60, calibración temperatura agua fuera de rango

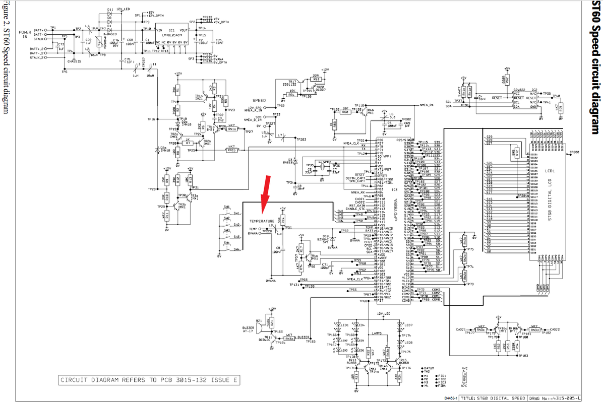
Tengo un display Raymarine ST60 SPEED, que es el que suministra la temperatura del agua del mar.

El caso es que con el ajuste de calibración de temperatura ya al mínimo, marca unos tres grados más que la temperatura real, medida con un termómetro calibrado.

Los expertos en electrónica podréis indicarlo mejor, pero entiendo que el sensor de temperatura que está integrado en el transductor de la corredera, o bien produce una pequeña diferencia de potencial que varía con la temperatura o bien posee una resistencia que varía con la temperatura y esa señal la emplea la electrónica del display para traducirla a grados centígrados.

La pregunta es que se puede hacer para que el rango de la calibración de temperatura sea adecuado a la realidad de la temperatura del agua:

¿Se ve alguna posibilidad de ajuste en el circuito eléctrico del display que adjunto?

¿Se podría insertar un potenciómetro u otro componente de ajuste de la señal en algún lado? (se adjuntan las entradas de señal del display, la entrada “K” en la parte trasera).

¿Qué otra cosa se podría hacer?

Para ver con mas definición la imagen adjunta, pinchar la imagen y en la pagina de "postimages" pinchar en descargar imagen original.








Citar y responder
2 Cofrades agradecieron a Icarus este mensaje:
BlueMoon (10-07-2023), LSV (09-07-2023)
  #2  
Antiguo 29-06-2023, 01:08
Avatar de Apagapenol
Apagapenol Apagapenol esta desconectado
Obersteuermann
 
Registrado: 01-03-2009
Localización: Donde sea que haya calado
Mensajes: 6,715
Agradecimientos que ha otorgado: 1,628
Recibió 6,366 Agradecimientos en 2,896 Mensajes
Sexo:
Predeterminado Re: Para expertos en electrónica: ST60, calibración temperatura agua fuera de rango

Tu caso no es único, cofrade; si buscas en foros extranjeros por internet verás que el sensor de temperatura (un termistor) que montan los transductores Airmar no tiene posibilidad de calibración (esto también se ve leyendo el manual de instalación), y además es bastante malo... Por supuesto, la situación es conocida por el fabricante, pero no la soluciona para seguir teniendo incautos a los que sacar los cuartos.

Básicamente, lo que le pasa al termistor es que su resistencia disminuye con el tiempo, hasta que llega un momento en que el ajuste que se puede hacer en el ST60 no es capaz de contrarrestar la pérdida.

En este enlace hay un individuo que lo soluciona soldando una resistencia en serie con el termistor, tal como tú mismo apuntas:



La reparación es algo chapucerilla desde mi punto de vista (yo habría intercalado la resistencia cerca del conector del ST60, y habría usado una resistencia variable en vez de una fija), pero seguro que te sirve para coger ideas.

Saludos y
__________________
Navigare necesse est. Vivere non est necesse. (Pompeyo)

Si damos bordos de menos de 180º, llegaremos a algún sitio... (anónimo)

Editado por Apagapenol en 29-06-2023 a las 01:14.
Citar y responder
4 Cofrades agradecieron a Apagapenol este mensaje:
BlueMoon (10-07-2023), Icarus (29-06-2023), LSV (09-07-2023), SusoCoro (23-05-2024)
  #3  
Antiguo 29-06-2023, 01:29
Avatar de Icarus
Icarus Icarus esta desconectado
Corsario
 
Registrado: 05-01-2010
Localización: Rias Bajas
Edad: 67
Mensajes: 1,663
Agradecimientos que ha otorgado: 665
Recibió 1,874 Agradecimientos en 777 Mensajes
Sexo:
Predeterminado Re: Para expertos en electrónica: ST60, calibración temperatura agua fuera de rango

Cita:
Originalmente publicado por Apagapenol Ver mensaje
Tu caso no es único, cofrade; si buscas en foros extranjeros por internet verás que el sensor de temperatura (un termistor) que montan los transductores Airmar no tiene posibilidad de calibración (esto también se ve leyendo el manual de instalación), y además es bastante malo... Por supuesto, la situación es conocida por el fabricante, pero no la soluciona para seguir teniendo incautos a los que sacar los cuartos.

Básicamente, lo que le pasa al termistor es que su resistencia disminuye con el tiempo, hasta que llega un momento en que el ajuste que se puede hacer en el ST60 no es capaz de contrarrestar la pérdida.

En este enlace hay un individuo que lo soluciona soldando una resistencia en serie con el termistor, tal como tú mismo apuntas:



La reparación es algo chapucerilla desde mi punto de vista (yo habría intercalado la resistencia cerca del conector del ST60, y habría usado una resistencia variable en vez de una fija), pero seguro que te sirve para coger ideas.

Saludos y
Muchas gracias!!

Una solucion de este tipo es justo lo que me interesa.
O sea que el sensor es un termistor NTC que reduce la resistencia con la temperatura. Es decir, con agua a 20 grados no me deja ajustar a menos de 23 (demasiado poca resistencia) con lo cual metiendo intercalada en el cable una resistencia variable se podra solucionar el problema.
Citar y responder
Los siguientes cofrades agradecieron este mensaje a Icarus
SusoCoro (23-05-2024)
  #4  
Antiguo 29-06-2023, 07:07
Avatar de Apagapenol
Apagapenol Apagapenol esta desconectado
Obersteuermann
 
Registrado: 01-03-2009
Localización: Donde sea que haya calado
Mensajes: 6,715
Agradecimientos que ha otorgado: 1,628
Recibió 6,366 Agradecimientos en 2,896 Mensajes
Sexo:
Predeterminado Re: Para expertos en electrónica: ST60, calibración temperatura agua fuera de rango

Cita:
Originalmente publicado por Icarus Ver mensaje
Muchas gracias!!

Una solucion de este tipo es justo lo que me interesa.
O sea que el sensor es un termistor NTC que reduce la resistencia con la temperatura. Es decir, con agua a 20 grados no me deja ajustar a menos de 23 (demasiado poca resistencia) con lo cual metiendo intercalada en el cable una resistencia variable se podra solucionar el problema.
Exactamente, el intervalo de ajuste de cero del ST60 es más bien reducido, y si la resistencia del termistor se va por fuera de esos valores, hay que suplementarla.

Por supuesto, esto sólo vale si el termistor da señal; si no, hay que cambiar el transductor completo (por lo que se ve, no se puede desmontar).

Saludos y
__________________
Navigare necesse est. Vivere non est necesse. (Pompeyo)

Si damos bordos de menos de 180º, llegaremos a algún sitio... (anónimo)
Citar y responder
Los siguientes cofrades agradecieron este mensaje a Apagapenol
Icarus (29-06-2023)
  #5  
Antiguo 29-06-2023, 09:30
Avatar de Butxeta
Butxeta Butxeta esta desconectado
Hermano de la costa
 
Registrado: 27-10-2006
Localización: Mallorca
Edad: 54
Mensajes: 7,843
Agradecimientos que ha otorgado: 1,064
Recibió 3,147 Agradecimientos en 1,350 Mensajes
Sexo:
Predeterminado Re: Para expertos en electrónica: ST60, calibración temperatura agua fuera de rango

Es un mal muy extendido.

Yo tengo Simrad y me da valores de temperatura negativos

Y la corredera funciona bien...

Citar y responder
Los siguientes cofrades agradecieron este mensaje a Butxeta
Icarus (29-06-2023)
  #6  
Antiguo 29-06-2023, 10:23
Avatar de Icarus
Icarus Icarus esta desconectado
Corsario
 
Registrado: 05-01-2010
Localización: Rias Bajas
Edad: 67
Mensajes: 1,663
Agradecimientos que ha otorgado: 665
Recibió 1,874 Agradecimientos en 777 Mensajes
Sexo:
Predeterminado Re: Para expertos en electrónica: ST60, calibración temperatura agua fuera de rango

El termistor da señal y la temperatura indicada cambia con la temperatura del agua pero indicando un valor mas alto que el real.
Cuando tenga tiempo me pongo a ello y comento el resultado.

A varios amigos les pasa lo mismo, les marca de mas y fuera del rango de ajuste. Es un problema endemico de estos equipos y por lo que dice Butxeta no es solo de Raymarine.

Muchas gracias
Citar y responder
  #7  
Antiguo 29-06-2023, 12:21
Avatar de compay
compay compay esta desconectado
Capitán pirata
 
Registrado: 26-10-2006
Localización: Cantabrico
Edad: 66
Mensajes: 649
Agradecimientos que ha otorgado: 470
Recibió 168 Agradecimientos en 70 Mensajes
Sexo:
Predeterminado Re: Para expertos en electrónica: ST60, calibración temperatura agua fuera de rango

EL MIO NO BAJA DE LOS 45 GRADOS cELSIUS. ASI QUE ESTA CLARO QUE NO ME METO AL AGUA NI EN INVIERNO NI EN VERANO.
__________________
Quien no tenga que hacer ,arme navio o tome mujer
EB2288
Citar y responder
  #8  
Antiguo 29-06-2023, 12:37
Avatar de jnovos
jnovos jnovos esta desconectado
Piratilla
 
Registrado: 09-12-2021
Localización: Galicia
Mensajes: 57
Agradecimientos que ha otorgado: 77
Recibió 17 Agradecimientos en 15 Mensajes
Sexo:
Predeterminado Re: Para expertos en electrónica: ST60, calibración temperatura agua fuera de rango

Buenas,
A mi me pasa lo mismo 6 grados por encima de la temp del agua
Citar y responder
  #9  
Antiguo 08-07-2023, 21:50
Avatar de Icarus
Icarus Icarus esta desconectado
Corsario
 
Registrado: 05-01-2010
Localización: Rias Bajas
Edad: 67
Mensajes: 1,663
Agradecimientos que ha otorgado: 665
Recibió 1,874 Agradecimientos en 777 Mensajes
Sexo:
Predeterminado Re: Para expertos en electrónica: ST60, calibración temperatura agua fuera de rango

Solucionado el problema:

Primero en el display ajusté la temperatura del agua en la mitad de la tolerancia de ajuste del aparato, sin importar cual era la temperatura real del agua.

A continuación seguí el cable de la corredera hasta un punto donde estuviese fácilmente accesible para trabajar con comodidad tanto ahora como en el futuro, y que cupiese una pequeña caja eléctrica para contener el potenciómetro y un trozo del cable donde se insertó, para que estén protegidos.

Abrí la funda de los cables de la corredera en ese punto, corté el cable marrón y le inserté soldado un potenciómetro de 20 kilo-ohmios. Medí con un termómetro digital verificado la temperatura del agua y ajuste la temperatura del display con el potenciómetro para que coincidiese con la temperatura real medida. El ajuste del potenciómetro en ese punto daba 2.6 kilo-ohmios.

Como esta en el medio de la tolerancia de ajuste del aparato, ahora hay margen para ajustar la temperatura hacia ambos sentidos desde el display en caso necesario en el futuro.



Este es el termómetro digital verificado con el que se midió la temperatura real del agua (es el atlántico y además ese día estaba mas fría):




Y el display ya ajustado:

.


PD: Como la temperatura del agua varia con la profundidad y además en zonas de sombra prolongada (debajo del casco) puede también variar con respecto al agua que está al sol, yo empleo el siguiente método para medir primero y ajustar después la temperatura:
Con el barco amarrado de proa al pantalán, arranco el motor y pongo marcha atrás sobre 1500 r.p.m. De este modo se produce un flujo turbulento de agua por debajo del casco. El flujo pasa por el sensor de temperatura que esta en la corredera y a continuación sale por proa. En ese punto que sale por proa se mide con el termómetro digital la temperatura del agua, y manteniendo la marcha atrás se ajusta la temperatura del display para que coincida con la medida. Como verificación se vuelve a medir la real antes de parar el motor.

.
Citar y responder
2 Cofrades agradecieron a Icarus este mensaje:
LSV (09-07-2023), Rayito (24-04-2024)
  #10  
Antiguo 09-07-2023, 18:04
Avatar de Apagapenol
Apagapenol Apagapenol esta desconectado
Obersteuermann
 
Registrado: 01-03-2009
Localización: Donde sea que haya calado
Mensajes: 6,715
Agradecimientos que ha otorgado: 1,628
Recibió 6,366 Agradecimientos en 2,896 Mensajes
Sexo:
Predeterminado Re: Para expertos en electrónica: ST60, calibración temperatura agua fuera de rango

Cita:
Originalmente publicado por Icarus Ver mensaje
Solucionado el problema:

Primero en el display ajusté la temperatura del agua en la mitad de la tolerancia de ajuste del aparato, sin importar cual era la temperatura real del agua.

A continuación seguí el cable de la corredera hasta un punto donde estuviese fácilmente accesible para trabajar con comodidad tanto ahora como en el futuro, y que cupiese una pequeña caja eléctrica para contener el potenciómetro y un trozo del cable donde se insertó, para que estén protegidos.

Abrí la funda de los cables de la corredera en ese punto, corté el cable marrón y le inserté soldado un potenciómetro de 20 kilo-ohmios. Medí con un termómetro digital verificado la temperatura del agua y ajuste la temperatura del display con el potenciómetro para que coincidiese con la temperatura real medida. El ajuste del potenciómetro en ese punto daba 2.6 kilo-ohmios.

Como esta en el medio de la tolerancia de ajuste del aparato, ahora hay margen para ajustar la temperatura hacia ambos sentidos desde el display en caso necesario en el futuro.

Este es el termómetro digital verificado con el que se midió la temperatura real del agua (es el atlántico y además ese día estaba mas fría):

[…]

Y el display ya ajustado:

[…]

PD: Como la temperatura del agua varia con la profundidad y además en zonas de sombra prolongada (debajo del casco) puede también variar con respecto al agua que está al sol, yo empleo el siguiente método para medir primero y ajustar después la temperatura:
Con el barco amarrado de proa al pantalán, arranco el motor y pongo marcha atrás sobre 1500 r.p.m. De este modo se produce un flujo turbulento de agua por debajo del casco. El flujo pasa por el sensor de temperatura que esta en la corredera y a continuación sale por proa. En ese punto que sale por proa se mide con el termómetro digital la temperatura del agua, y manteniendo la marcha atrás se ajusta la temperatura del display para que coincida con la medida. Como verificación se vuelve a medir la real antes de parar el motor.


Saludos y
__________________
Navigare necesse est. Vivere non est necesse. (Pompeyo)

Si damos bordos de menos de 180º, llegaremos a algún sitio... (anónimo)
Citar y responder
Los siguientes cofrades agradecieron este mensaje a Apagapenol
Icarus (09-07-2023)
  #11  
Antiguo 09-07-2023, 23:24
Avatar de Icarus
Icarus Icarus esta desconectado
Corsario
 
Registrado: 05-01-2010
Localización: Rias Bajas
Edad: 67
Mensajes: 1,663
Agradecimientos que ha otorgado: 665
Recibió 1,874 Agradecimientos en 777 Mensajes
Sexo:
Predeterminado Re: Para expertos en electrónica: ST60, calibración temperatura agua fuera de rango

Cita:
Originalmente publicado por Apagapenol Ver mensaje


Saludos y
Gracias por el video que pusiste del cual salio la solucion
Citar y responder
Los siguientes cofrades agradecieron este mensaje a Icarus
Apagapenol (09-07-2023)
Responder Ver todos los foros en uno

Freedom sea


Reglas del foro
No puedes crear discusiones
No puedes responder a mensajes
No puedes editar tus adjuntos
No puedes editar tus mensajes

BB code está activado
Emoticonos está activado
El código [IMG] está activado
El código HTML está desactivado
Ir a


Todas las horas son GMT +1. La hora es 21:12.


Powered by vBulletin® Version 3.7.0
Copyright ©2000 - 2026, Jelsoft Enterprises Ltd.
© La Taberna del Puerto