La Taberna del Puerto Smartsails
"Se navega por los astros, por la mar, por la tierra, por las gentes, por los sentimientos...Se navega." Altair
VHF: Canal 77   
Regresar   La Taberna del Puerto > Foro > Foros Náuticos > Foro Náutico Deportivo

Avisos

Responder
 
Herramientas Estilo
  #1  
Antiguo 11-10-2019, 12:10
Avatar de JVCMOC
JVCMOC JVCMOC esta desconectado
Pirata
 
Registrado: 08-08-2012
Mensajes: 245
Agradecimientos que ha otorgado: 109
Recibió 80 Agradecimientos en 43 Mensajes
Sexo:
Predeterminado Quebradero de cabeza con el Cuentarevoluciones...??¡¡¿¿

Pues como se me fue el cuentarrevoluciones, procedí a cambiarlo y lo primero que hice fue comprobar con un Osciloscopio que el sensor emitia señal y PERFECTO....hasta ahora todo bien....

Compro un Cuentarrevoluciones náutico VDO (A2C59512397)con cuenta horas (Admite sensores W, Hall, T1 y inducción) .....y mi sorpresa al montarlo.....Chas..¡¡ funciona todo pero la aguja no se mueve (Decir que le introduje en el setup del reloj los impulsos que manda el manual del motor).
Pensé en el viaje se ha jodido y algo no funciona...PROCEDO A DEVOLVERLO y comienzo de nuevo.

Compro Un segundo Reloj ( el mismo ) ...Y JODER...me pasa lo mismo...??¡¡¡¿¿¿ FUNCIONA TODO Y LA AGUJA NO SE MUEVE.

Decir que mi motor un nanni 4390 TDI monta un sensor en la Bomba inyectora y es de inducción. Y compre precisamente este reloj, pues leia todo tipo de sensores, que por cierto es el más caro de todos.

Ahora estoy en Blanco....Alguien me dé un rayo de luz...

Gracias y perdón por el tocho

Editado por JVCMOC en 11-10-2019 a las 17:55.
Citar y responder
  #2  
Antiguo 11-10-2019, 20:15
Avatar de Richie
Richie Richie esta desconectado
Piratilla
 
Registrado: 09-05-2016
Edad: 52
Mensajes: 47
Agradecimientos que ha otorgado: 11
Recibió 15 Agradecimientos en 12 Mensajes
Sexo:
Predeterminado Re: Quebradero de cabeza con el Cuentarevoluciones...??¡¡¿¿

Has mirado si el alternador tiene salida W? quizás sea lo mas sencillo al menos para probar si funciona todo ok.
Citar y responder
Los siguientes cofrades agradecieron este mensaje a Richie
JVCMOC (11-10-2019)
  #3  
Antiguo 11-10-2019, 23:55
Avatar de JVCMOC
JVCMOC JVCMOC esta desconectado
Pirata
 
Registrado: 08-08-2012
Mensajes: 245
Agradecimientos que ha otorgado: 109
Recibió 80 Agradecimientos en 43 Mensajes
Sexo:
Predeterminado Re: Quebradero de cabeza con el Cuentarevoluciones...??¡¡¿¿

Hola
No tiene salida "W" del alternador........Lo que me mosquea es que el osciloscopio recibe la senal cuando el motor arranca y se ven perfectamente las ondas, incluso cuando acelera, se ve perfectamente como se cierran las ondas al subir de rpm.
No se...me tiene desconcertado, no se si los microvoltios del sensor son mas bajos de lo normal....por pensar algo.
Citar y responder
  #4  
Antiguo 12-10-2019, 10:06
Avatar de Richie
Richie Richie esta desconectado
Piratilla
 
Registrado: 09-05-2016
Edad: 52
Mensajes: 47
Agradecimientos que ha otorgado: 11
Recibió 15 Agradecimientos en 12 Mensajes
Sexo:
Predeterminado Re: Quebradero de cabeza con el Cuentarevoluciones...??¡¡¿¿

Entiendo que lo que tienes es esto?
https://www.vdo-instruments.com/medi...urmeter(c).pdf

y los cables que te salen del sensor de rpm son el 12 y 13 en color azul oscuro y otro de azul gris?

Si es asi deberían ir el azul oscuro a numero 8 del tacómetro. y el azul/gris (masa) al 7 del tacómetro.

El 3 a masa y 4y5 al positivo, puedes hacer las conexiones directas para ver que funciona y después ya te pegas con el diagrama de conexiones.

Voy un poco a ciegas viendo manuales y suponiendo una instalación no alterada, no se si esto te ayuda.
Citar y responder
Los siguientes cofrades agradecieron este mensaje a Richie
JVCMOC (12-10-2019)
  #5  
Antiguo 12-10-2019, 12:19
Avatar de JVCMOC
JVCMOC JVCMOC esta desconectado
Pirata
 
Registrado: 08-08-2012
Mensajes: 245
Agradecimientos que ha otorgado: 109
Recibió 80 Agradecimientos en 43 Mensajes
Sexo:
Predeterminado Re: Quebradero de cabeza con el Cuentarevoluciones...??¡¡¿¿

Muchas gracias por responder, tu modelo esta descatalogado

El reloj es este...igual pero es mas moderno:

Editado por JVCMOC en 12-10-2019 a las 12:31.
Citar y responder
  #6  
Antiguo 12-10-2019, 12:20
Avatar de JVCMOC
JVCMOC JVCMOC esta desconectado
Pirata
 
Registrado: 08-08-2012
Mensajes: 245
Agradecimientos que ha otorgado: 109
Recibió 80 Agradecimientos en 43 Mensajes
Sexo:
Predeterminado Re: Quebradero de cabeza con el Cuentarevoluciones...??¡¡¿¿

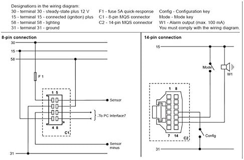
El tema es que las conexiones estan muy claras..../eso creia..??)
CONECTOR IZQUIERDA

cable 1 bateria constante
cable 2 masa
cables 3 y 5 sensor
cable 4 bateria llave encendido


CONECTOR DERCHA
Para la configuracion del pulso ( que eso se hace perfectamente y facil)

Editado por JVCMOC en 12-10-2019 a las 15:41.
Citar y responder
  #7  
Antiguo 14-10-2019, 07:36
Avatar de Richie
Richie Richie esta desconectado
Piratilla
 
Registrado: 09-05-2016
Edad: 52
Mensajes: 47
Agradecimientos que ha otorgado: 11
Recibió 15 Agradecimientos en 12 Mensajes
Sexo:
Predeterminado Re: Quebradero de cabeza con el Cuentarevoluciones...??¡¡¿¿

Pue me pierdo, parece que esta todo correcto.
Citar y responder
Los siguientes cofrades agradecieron este mensaje a Richie
JVCMOC (14-10-2019)
  #8  
Antiguo 14-10-2019, 10:10
Avatar de JVCMOC
JVCMOC JVCMOC esta desconectado
Pirata
 
Registrado: 08-08-2012
Mensajes: 245
Agradecimientos que ha otorgado: 109
Recibió 80 Agradecimientos en 43 Mensajes
Sexo:
Predeterminado Re: Quebradero de cabeza con el Cuentarevoluciones...??¡¡¿¿

GRACIAS, por responder
……..Me queda nada mas que pasar por Vicaria y llamar a u electrónico para verlo....
Citar y responder
Responder Ver todos los foros en uno

Smartsails


Reglas del foro
No puedes crear discusiones
No puedes responder a mensajes
No puedes editar tus adjuntos
No puedes editar tus mensajes

BB code está activado
Emoticonos está activado
El código [IMG] está activado
El código HTML está desactivado
Ir a


Todas las horas son GMT +1. La hora es 17:50.


Powered by vBulletin® Version 3.7.0
Copyright ©2000 - 2026, Jelsoft Enterprises Ltd.
© La Taberna del Puerto