La Taberna del Puerto Almayer
"Se navega por los astros, por la mar, por la tierra, por las gentes, por los sentimientos...Se navega." Altair
VHF: Canal 77   
Regresar   La Taberna del Puerto > Foro > Foros Náuticos > Foro Náutico Deportivo

Avisos

Responder
 
Herramientas Estilo
  #1  
Antiguo 05-12-2024, 07:59
Avatar de Nordeste07
Nordeste07 Nordeste07 esta desconectado
Piratilla
 
Registrado: 24-03-2024
Mensajes: 97
Agradecimientos que ha otorgado: 25
Recibió 60 Agradecimientos en 44 Mensajes
Sexo:
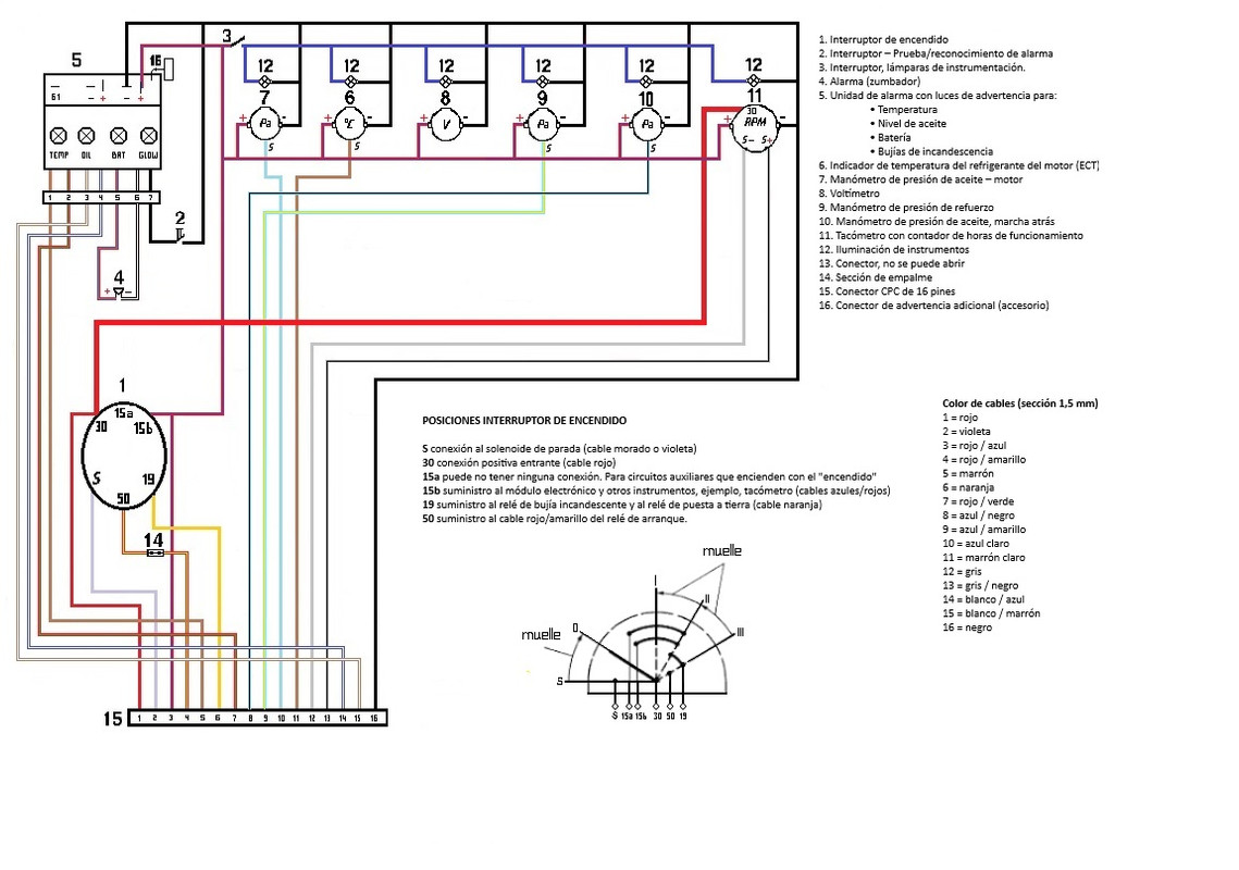
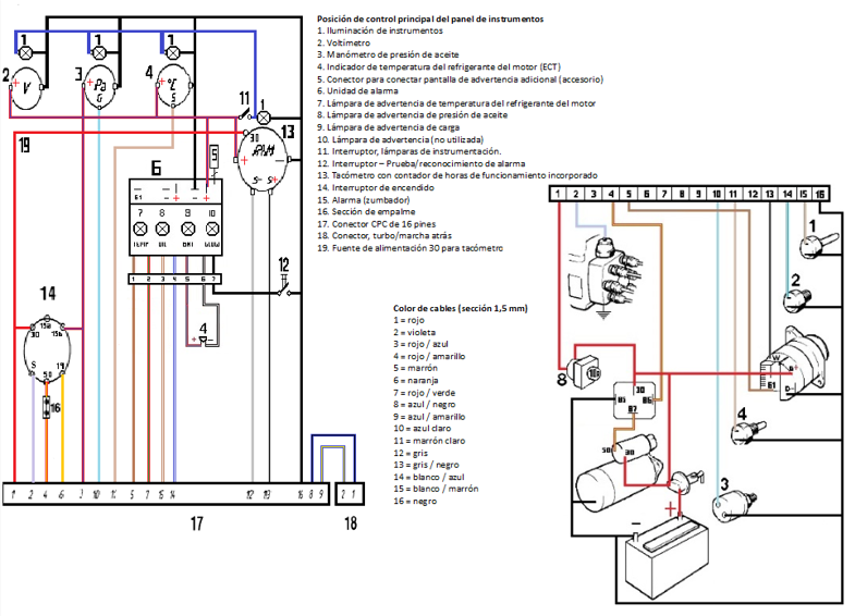
Predeterminado Esquemas eléctricos TAMD 41P

Adjunto los enlaces a los esquemas eléctricos del TAMD41P que preparé y que llevo impresos y plastificados para consultar si surge cualquier problema.

Creo que vale para unos cuantos modelos de las series 30, 31, 40 y 41 y posiblemente para alguno más[IMG][/IMG]


[IMG]https://i.postimg.cc/4N6TPkSg/Esquema-el-ctrico-TAMD41-P.png

[/IMG][/IMG]https://i.postimg.cc/hjD0kxSs/Esquema-el-ctrico-instrumentos-TAMD41-P.jpg

[IMG]https://i.postimg.cc/B6nxY0gw/Esquema-el-ctrico-motor-TAMD41-P.jpg
Citar y responder
Los siguientes cofrades agradecieron este mensaje a Nordeste07
Eien (05-12-2024)
  #2  
Antiguo 05-12-2024, 08:06
Avatar de Nordeste07
Nordeste07 Nordeste07 esta desconectado
Piratilla
 
Registrado: 24-03-2024
Mensajes: 97
Agradecimientos que ha otorgado: 25
Recibió 60 Agradecimientos en 44 Mensajes
Sexo:
Predeterminado Re: Esquemas eléctricos TAMD 41P

Citar y responder
  #3  
Antiguo 05-12-2024, 08:07
Avatar de Nordeste07
Nordeste07 Nordeste07 esta desconectado
Piratilla
 
Registrado: 24-03-2024
Mensajes: 97
Agradecimientos que ha otorgado: 25
Recibió 60 Agradecimientos en 44 Mensajes
Sexo:
Predeterminado Re: Esquemas eléctricos TAMD 41P

Citar y responder
Los siguientes cofrades agradecieron este mensaje a Nordeste07
Eien (05-12-2024)
  #4  
Antiguo 05-12-2024, 08:09
Avatar de Nordeste07
Nordeste07 Nordeste07 esta desconectado
Piratilla
 
Registrado: 24-03-2024
Mensajes: 97
Agradecimientos que ha otorgado: 25
Recibió 60 Agradecimientos en 44 Mensajes
Sexo:
Predeterminado Re: Esquemas eléctricos TAMD 41P

Citar y responder
Los siguientes cofrades agradecieron este mensaje a Nordeste07
Sorias (05-12-2024)
  #5  
Antiguo 05-12-2024, 08:20
Avatar de Sorias
Sorias Sorias esta desconectado
Pirata
 
Registrado: 23-12-2007
Edad: 58
Mensajes: 128
Agradecimientos que ha otorgado: 59
Recibió 79 Agradecimientos en 46 Mensajes
Sexo:
Predeterminado Re: Esquemas eléctricos TAMD 41P

Muchas gracias. !!!

Puede ser muy útil.
Citar y responder
  #6  
Antiguo 12-12-2024, 06:38
Avatar de Nordeste07
Nordeste07 Nordeste07 esta desconectado
Piratilla
 
Registrado: 24-03-2024
Mensajes: 97
Agradecimientos que ha otorgado: 25
Recibió 60 Agradecimientos en 44 Mensajes
Sexo:
Predeterminado Re: Esquemas eléctricos TAMD 41P

El esquema es para instalaciones de 12v.

No he mirado si las instalaciones a 24v. utilizan el mismo esquema pero podría serlo
Citar y responder
Responder Ver todos los foros en uno

Almayer


Reglas del foro
No puedes crear discusiones
No puedes responder a mensajes
No puedes editar tus adjuntos
No puedes editar tus mensajes

BB code está activado
Emoticonos está activado
El código [IMG] está activado
El código HTML está desactivado
Ir a


Todas las horas son GMT +1. La hora es 15:34.


Powered by vBulletin® Version 3.7.0
Copyright ©2000 - 2025, Jelsoft Enterprises Ltd.
© La Taberna del Puerto