La Taberna del Puerto Freedom sea
"Se navega por los astros, por la mar, por la tierra, por las gentes, por los sentimientos...Se navega." Altair
VHF: Canal 77   
Regresar   La Taberna del Puerto > Foro > Foros Náuticos > Foro Náutico Deportivo

Avisos

Responder
 
Herramientas Estilo
  #51  
Antiguo 10-12-2015, 21:10
Avatar de TXELFI
TXELFI TXELFI esta desconectado
Hermano de la costa
 
Registrado: 31-07-2011
Edad: 69
Mensajes: 6,841
Agradecimientos que ha otorgado: 4,807
Recibió 8,425 Agradecimientos en 2,976 Mensajes
Sexo:
Predeterminado Re: Cambio segmentos Volvo 2003T

ÁNIMO
__________________
Stemma Proderi In Primis Bermei
Citar y responder
Los siguientes cofrades agradecieron este mensaje a TXELFI
Javi-Miss Regina (10-12-2015)
  #52  
Antiguo 10-12-2015, 23:18
Avatar de atxarre
atxarre atxarre esta desconectado
Capitán pirata
 
Registrado: 15-10-2008
Edad: 76
Mensajes: 626
Agradecimientos que ha otorgado: 406
Recibió 300 Agradecimientos en 128 Mensajes
Sexo:
Predeterminado Re: Cambio segmentos Volvo 2003T

Desmontar la distribucion???????
Citar y responder
  #53  
Antiguo 11-12-2015, 07:28
Avatar de Javi-Miss Regina
Javi-Miss Regina Javi-Miss Regina esta desconectado
Hermano de la costa
 
Registrado: 29-03-2011
Edad: 53
Mensajes: 3,892
Agradecimientos que ha otorgado: 2,164
Recibió 1,569 Agradecimientos en 858 Mensajes
Sexo:
Predeterminado Re: Cambio segmentos Volvo 2003T

Cita:
Originalmente publicado por atxarre Ver mensaje
Desmontar la distribucion???????
Si, bueno, hay que desmontar la tapa de la distribución y también (en el otro lado) el volante, para poder abrir el carter





__________________
http://veleromissregina.blogspot.com.es/

MMSI 261000522 CALL SIGN SPA2434
Citar y responder
  #54  
Antiguo 11-12-2015, 07:50
Avatar de kaskarrabias
kaskarrabias kaskarrabias esta desconectado
Pirata pata palo
 
Registrado: 18-08-2011
Edad: 37
Mensajes: 357
Agradecimientos que ha otorgado: 14
Recibió 183 Agradecimientos en 49 Mensajes
Sexo:
Predeterminado Re: Cambio segmentos Volvo 2003T

madre mia me encantaría poder hacerle esto al mio.. de momento por el amigo invisible me he pedido un endoscopio de amazon que valen 20€ y empezaré a meterlo por todas las partes del barco, una de ellas será el motor aunque no se si veré algo o lo que vea me revelará algo..
__________________
Navegar contra el viento es perder el tiempo
Citar y responder
Los siguientes cofrades agradecieron este mensaje a kaskarrabias
Javi-Miss Regina (11-12-2015)
  #55  
Antiguo 11-12-2015, 14:46
Avatar de Javi-Miss Regina
Javi-Miss Regina Javi-Miss Regina esta desconectado
Hermano de la costa
 
Registrado: 29-03-2011
Edad: 53
Mensajes: 3,892
Agradecimientos que ha otorgado: 2,164
Recibió 1,569 Agradecimientos en 858 Mensajes
Sexo:
Predeterminado Re: Cambio segmentos Volvo 2003T

Acabo de quitar la junta de la culata, y en ambas partes quedan restos pegados.
¿Alguna idea de como quitarlos sin dañar las superficies?



Por otro lado ya tengo el juego de aros de un pistón (pensé que venían los juegos de los 3 pistones, inocente de mi Cada juego me cuesta 61€, en Volvo cada uno 129€

En el manual pone que el gap del aro debe estar entre 0,30 y 0,50. He estado comprobando en cada piston en diferentes posiciones y parece que no hay ovalización, en dos de ellos me da 0,40 y en el otro 0,50





__________________
http://veleromissregina.blogspot.com.es/

MMSI 261000522 CALL SIGN SPA2434

Editado por Javi-Miss Regina en 11-12-2015 a las 14:50.
Citar y responder
  #56  
Antiguo 11-12-2015, 15:33
Avatar de TXELFI
TXELFI TXELFI esta desconectado
Hermano de la costa
 
Registrado: 31-07-2011
Edad: 69
Mensajes: 6,841
Agradecimientos que ha otorgado: 4,807
Recibió 8,425 Agradecimientos en 2,976 Mensajes
Sexo:
Predeterminado Re: Cambio segmentos Volvo 2003T

No se me ocurre para quitar esos restos otra que utilizar un formón bien afilado y rascar lo más suave posible.
Por lo que dices tienes bien las camisas, enhorabuena.
__________________
Stemma Proderi In Primis Bermei
Citar y responder
  #57  
Antiguo 11-12-2015, 15:42
Avatar de Javi-Miss Regina
Javi-Miss Regina Javi-Miss Regina esta desconectado
Hermano de la costa
 
Registrado: 29-03-2011
Edad: 53
Mensajes: 3,892
Agradecimientos que ha otorgado: 2,164
Recibió 1,569 Agradecimientos en 858 Mensajes
Sexo:
Predeterminado Re: Cambio segmentos Volvo 2003T

Cita:
Originalmente publicado por TXELFI Ver mensaje
No se me ocurre para quitar esos restos otra que utilizar un formón bien afilado y rascar lo más suave posible.
Por lo que dices tienes bien las camisas, enhorabuena.
Gracias TXELFI,

Si, lo que había pensado era el formón pero no estaba seguro de si era lo adecuado.

__________________
http://veleromissregina.blogspot.com.es/

MMSI 261000522 CALL SIGN SPA2434
Citar y responder
  #58  
Antiguo 11-12-2015, 15:43
Avatar de jaberi
jaberi jaberi esta desconectado
Pirata
 
Registrado: 20-06-2013
Edad: 52
Mensajes: 298
Agradecimientos que ha otorgado: 60
Recibió 64 Agradecimientos en 52 Mensajes
Sexo:
Predeterminado Respuesta: Cambio segmentos Volvo 2003T

Espátula y lija fina, no tendrás ningún problema. No obstante, la culata deberías de llevarla a planificar.
Saludos y ánimo, me encantan estos trabajos
Citar y responder
Los siguientes cofrades agradecieron este mensaje a jaberi
Tortuga Carey (11-12-2015)
  #59  
Antiguo 11-12-2015, 15:47
Avatar de Javi-Miss Regina
Javi-Miss Regina Javi-Miss Regina esta desconectado
Hermano de la costa
 
Registrado: 29-03-2011
Edad: 53
Mensajes: 3,892
Agradecimientos que ha otorgado: 2,164
Recibió 1,569 Agradecimientos en 858 Mensajes
Sexo:
Predeterminado Re: Respuesta: Cambio segmentos Volvo 2003T

Cita:
Originalmente publicado por jaberi Ver mensaje
Espátula y lija fina, no tendrás ningún problema. No obstante, la culata deberías de llevarla a planificar.
Saludos y ánimo, me encantan estos trabajos
Gracias cofrade,

Pues sí, ya tenía pensado llevar la culata a algún taller para que me digan si está bien.

__________________
http://veleromissregina.blogspot.com.es/

MMSI 261000522 CALL SIGN SPA2434
Citar y responder
  #60  
Antiguo 11-12-2015, 18:57
Avatar de markuay
markuay markuay esta desconectado
Fogonero del Titanic
 
Registrado: 29-10-2006
Localización: Valencia-castellon
Mensajes: 12,936
Agradecimientos que ha otorgado: 3,456
Recibió 8,144 Agradecimientos en 4,363 Mensajes
Sexo:
Predeterminado Re: Cambio segmentos Volvo 2003T

No necesariamente tiene porque estar la culata deformada, si no ha sufrido ningun calenton.

Simplemente con una regla bien recta se puede comprobar en el sitio.

el patron a seguir es simple y el resultado muy fiable, Voy a ver si cuelgo un dibujo.

__________________
.

Slava Ukrayini!.
Citar y responder
  #61  
Antiguo 11-12-2015, 19:20
Avatar de markuay
markuay markuay esta desconectado
Fogonero del Titanic
 
Registrado: 29-10-2006
Localización: Valencia-castellon
Mensajes: 12,936
Agradecimientos que ha otorgado: 3,456
Recibió 8,144 Agradecimientos en 4,363 Mensajes
Sexo:
Predeterminado Re: Cambio segmentos Volvo 2003T

Vale, la herramienta exclusiba es esta;

https://www.dropbox.com/s/e4waz8s1mc...0self.JPG?dl=0



La medicion de culata es esta;

https://www.dropbox.com/s/7bo0wmvm0w...Doc1.docx?dl=0

Y este es un trabajo que hice hace tiempo precisamente para comprobar desgastes de motores;

https://www.dropbox.com/s/wu9mrmma34...0FORD.doc?dl=0


Quitando lo que no interesa ahora, tienes algunas ideas que te pueden servir.



__________________
.

Slava Ukrayini!.
Citar y responder
3 Cofrades agradecieron a markuay este mensaje:
LORDRAKE (13-12-2015), Tortuga Carey (11-12-2015), xplanero (12-12-2015)
  #62  
Antiguo 11-12-2015, 19:45
Avatar de Spidy
Spidy Spidy esta desconectado
Piratilla
 
Registrado: 08-09-2014
Localización: Charco de Buendía
Edad: 49
Mensajes: 33
Agradecimientos que ha otorgado: 50
Recibió 11 Agradecimientos en 9 Mensajes
Sexo:
Predeterminado Re: Cambio segmentos Volvo 2003T

No escatimes con al culata y llévala a un culatista que la compruebe y la pegue un buen repaso.

Animo con el trabajo!!!!
__________________
Bayliner 1850-Capri (1998)
www.anclada.es
Citar y responder
Los siguientes cofrades agradecieron este mensaje a Spidy
Javi-Miss Regina (11-12-2015)
  #63  
Antiguo 11-12-2015, 20:29
Avatar de TXELFI
TXELFI TXELFI esta desconectado
Hermano de la costa
 
Registrado: 31-07-2011
Edad: 69
Mensajes: 6,841
Agradecimientos que ha otorgado: 4,807
Recibió 8,425 Agradecimientos en 2,976 Mensajes
Sexo:
Predeterminado Re: Cambio segmentos Volvo 2003T

Yo no llevé la mía a ningún sitio, una buena regla de acero y a correr.
__________________
Stemma Proderi In Primis Bermei
Citar y responder
  #64  
Antiguo 11-12-2015, 20:30
Avatar de jaberi
jaberi jaberi esta desconectado
Pirata
 
Registrado: 20-06-2013
Edad: 52
Mensajes: 298
Agradecimientos que ha otorgado: 60
Recibió 64 Agradecimientos en 52 Mensajes
Sexo:
Predeterminado Re: Cambio segmentos Volvo 2003T

Es cierto que no tiene que estar deformada, pero yo tengo por norma comprobarlas todas, es algo barato y te aseguras.
Saludos
Citar y responder
  #65  
Antiguo 11-12-2015, 20:58
Avatar de chistoso
chistoso chistoso esta desconectado
Pirata
 
Registrado: 14-09-2015
Edad: 61
Mensajes: 187
Agradecimientos que ha otorgado: 105
Recibió 119 Agradecimientos en 68 Mensajes
Sexo:
Predeterminado Re: Cambio segmentos Volvo 2003T

para la limpieza de los planos de las juntas yo uso este producto:
http://www.disol.net/disoman-inyect

es sencillamente espectacular, ablanda hasta la silicona de juntas. Se rocía, se espera un poco y se retira con una espátula de madera.

Sobre la comprobación del plano de la culata yo personalmente la mando a mi rectificadora de confianza, que la limpien "de verdad", que comprueben el plano y que esmerilen a máquina las válvulas.
Viendo el ancho de la zona esmerilada se sabe si es necesario fresar asientos o incluso cambiar alguna válvula.

Claro que se puede esmerilar a mano pero a máquina queda mejor, no arriesgas contaminar el vástago de la válvula con la pasta de esmerilar (y así evitas esmerilar la guía), no tienes que buscar las famosas ventositas ni la pasta de esmeril que la hay fina, gruesa y una que se supone que empieza gruesa y al usarla pasa a grano fino...

Yo si fuera mío el motor le dejaba el tema culata a una buena rectificadora...y no será porque no haya esmerilado a mano decenas de culatas de chaval, incluso creo que todavía tengo por el taller alguna ventosa y un bote de esmeril más reseco que Ramsés!.

Un saludo, chistoso.
Citar y responder
Los siguientes cofrades agradecieron este mensaje a chistoso
Javi-Miss Regina (11-12-2015)
  #66  
Antiguo 11-12-2015, 21:20
Avatar de Javi-Miss Regina
Javi-Miss Regina Javi-Miss Regina esta desconectado
Hermano de la costa
 
Registrado: 29-03-2011
Edad: 53
Mensajes: 3,892
Agradecimientos que ha otorgado: 2,164
Recibió 1,569 Agradecimientos en 858 Mensajes
Sexo:
Predeterminado Re: Cambio segmentos Volvo 2003T

Cita:
Originalmente publicado por markuay Ver mensaje
Vale, la herramienta exclusiba es esta;

https://www.dropbox.com/s/e4waz8s1mc...0self.JPG?dl=0



La medicion de culata es esta;

https://www.dropbox.com/s/7bo0wmvm0w...Doc1.docx?dl=0

Y este es un trabajo que hice hace tiempo precisamente para comprobar desgastes de motores;

https://www.dropbox.com/s/wu9mrmma34...0FORD.doc?dl=0


Quitando lo que no interesa ahora, tienes algunas ideas que te pueden servir.





Vaya markuay muy interesante, muchas gracias por la información.


__________________
http://veleromissregina.blogspot.com.es/

MMSI 261000522 CALL SIGN SPA2434
Citar y responder
  #67  
Antiguo 11-12-2015, 21:22
Avatar de Javi-Miss Regina
Javi-Miss Regina Javi-Miss Regina esta desconectado
Hermano de la costa
 
Registrado: 29-03-2011
Edad: 53
Mensajes: 3,892
Agradecimientos que ha otorgado: 2,164
Recibió 1,569 Agradecimientos en 858 Mensajes
Sexo:
Predeterminado Re: Cambio segmentos Volvo 2003T

Cita:
Originalmente publicado por TXELFI Ver mensaje
Yo no llevé la mía a ningún sitio, una buena regla de acero y a correr.
La verdad es que no sé si llevarla para que me la dejen lista en taller

__________________
http://veleromissregina.blogspot.com.es/

MMSI 261000522 CALL SIGN SPA2434
Citar y responder
  #68  
Antiguo 11-12-2015, 21:24
Avatar de Javi-Miss Regina
Javi-Miss Regina Javi-Miss Regina esta desconectado
Hermano de la costa
 
Registrado: 29-03-2011
Edad: 53
Mensajes: 3,892
Agradecimientos que ha otorgado: 2,164
Recibió 1,569 Agradecimientos en 858 Mensajes
Sexo:
Predeterminado Re: Cambio segmentos Volvo 2003T

Cita:
Originalmente publicado por chistoso Ver mensaje
para la limpieza de los planos de las juntas yo uso este producto:
http://www.disol.net/disoman-inyect

es sencillamente espectacular, ablanda hasta la silicona de juntas. Se rocía, se espera un poco y se retira con una espátula de madera.

Sobre la comprobación del plano de la culata yo personalmente la mando a mi rectificadora de confianza, que la limpien "de verdad", que comprueben el plano y que esmerilen a máquina las válvulas.
Viendo el ancho de la zona esmerilada se sabe si es necesario fresar asientos o incluso cambiar alguna válvula.

Claro que se puede esmerilar a mano pero a máquina queda mejor, no arriesgas contaminar el vástago de la válvula con la pasta de esmerilar (y así evitas esmerilar la guía), no tienes que buscar las famosas ventositas ni la pasta de esmeril que la hay fina, gruesa y una que se supone que empieza gruesa y al usarla pasa a grano fino...

Yo si fuera mío el motor le dejaba el tema culata a una buena rectificadora...y no será porque no haya esmerilado a mano decenas de culatas de chaval, incluso creo que todavía tengo por el taller alguna ventosa y un bote de esmeril más reseco que Ramsés!.

Un saludo, chistoso.

Muchas gracias por la información, ¿donde se puede comprar ese tipo de producto si no es en internet?

__________________
http://veleromissregina.blogspot.com.es/

MMSI 261000522 CALL SIGN SPA2434
Citar y responder
  #69  
Antiguo 11-12-2015, 21:31
Avatar de chistoso
chistoso chistoso esta desconectado
Pirata
 
Registrado: 14-09-2015
Edad: 61
Mensajes: 187
Agradecimientos que ha otorgado: 105
Recibió 119 Agradecimientos en 68 Mensajes
Sexo:
Predeterminado Re: Cambio segmentos Volvo 2003T

ufff, yo se lo compro al recambista al que le compro el recambio de fuera de origen, le dimos tanta caña que aceptó comercializarlo porque productos de este tipo hay mil pero que funcionen como éste que yo sepa solo dos.

Supongo que contactando con ellos te dirán si hay un distribuidor cerca de tí, a unas malas te puedo mandar un bote por agencia aunque a lo mejor sale más caro el collar que el perro.

Citar y responder
  #70  
Antiguo 12-12-2015, 00:05
Avatar de TXELFI
TXELFI TXELFI esta desconectado
Hermano de la costa
 
Registrado: 31-07-2011
Edad: 69
Mensajes: 6,841
Agradecimientos que ha otorgado: 4,807
Recibió 8,425 Agradecimientos en 2,976 Mensajes
Sexo:
Predeterminado Re: Cambio segmentos Volvo 2003T

Cita:
Originalmente publicado por javibrokmmm Ver mensaje
La verdad es que no sé si llevarla para que me la dejen lista en taller

Si no te vas a quedar tranquilo llévala al taller. La tranquilidad vale más que lo que te puedan cobrar por revisarla.
__________________
Stemma Proderi In Primis Bermei
Citar y responder
  #71  
Antiguo 12-12-2015, 18:16
Avatar de Javi-Miss Regina
Javi-Miss Regina Javi-Miss Regina esta desconectado
Hermano de la costa
 
Registrado: 29-03-2011
Edad: 53
Mensajes: 3,892
Agradecimientos que ha otorgado: 2,164
Recibió 1,569 Agradecimientos en 858 Mensajes
Sexo:
Predeterminado Re: Cambio segmentos Volvo 2003T

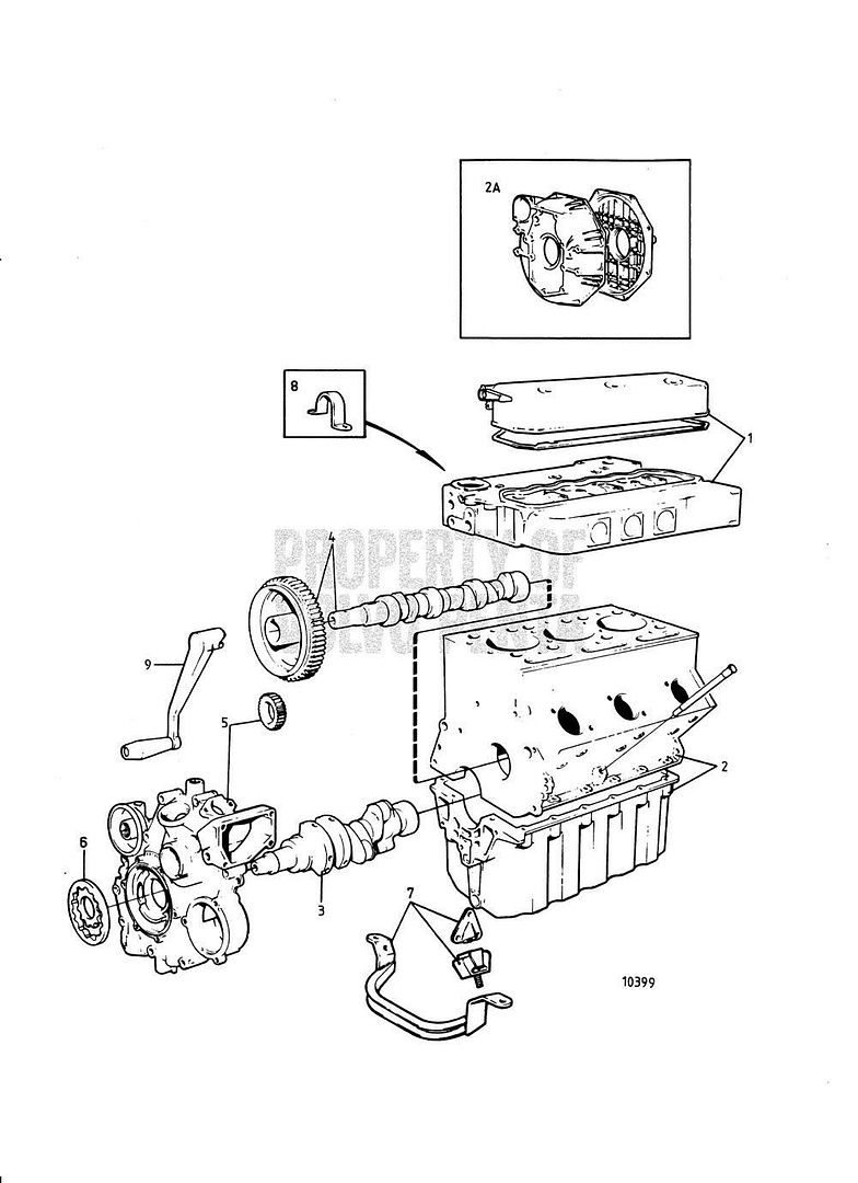
Bueno, pues hoy hemos avanzado bastante:

He quitado la distribución, desconectado el eje, sacado inversora y volante, y hemos colocado el bloque e vertical, pongo unas fotillos:



























El invento para moverlo:



Las nuevas juntas:



El bloque de pie




Mañana abriremos el carter y sacaremos los pistones

__________________
http://veleromissregina.blogspot.com.es/

MMSI 261000522 CALL SIGN SPA2434

Editado por Javi-Miss Regina en 12-12-2015 a las 20:27.
Citar y responder
  #72  
Antiguo 12-12-2015, 18:26
Avatar de port bo
port bo port bo esta desconectado
Hermano de la costa
 
Registrado: 11-07-2009
Localización: costa catalana
Edad: 73
Mensajes: 5,762
Agradecimientos que ha otorgado: 3,810
Recibió 2,397 Agradecimientos en 1,375 Mensajes
Sexo:
Predeterminado Re: Cambio segmentos Volvo 2003T

Este motor tiene el eje estriado de la inversora a punto de coronarse. Aprovecha para repararlo. los dientes estan muy debilitados.Saludos.
Citar y responder
  #73  
Antiguo 12-12-2015, 19:15
Avatar de Javi-Miss Regina
Javi-Miss Regina Javi-Miss Regina esta desconectado
Hermano de la costa
 
Registrado: 29-03-2011
Edad: 53
Mensajes: 3,892
Agradecimientos que ha otorgado: 2,164
Recibió 1,569 Agradecimientos en 858 Mensajes
Sexo:
Predeterminado Re: Cambio segmentos Volvo 2003T

Cita:
Originalmente publicado por port bo Ver mensaje
Este motor tiene el eje estriado de la inversora a punto de coronarse. Aprovecha para repararlo. los dientes estan muy debilitados.Saludos.

Vale muchas gracias, no me pareció cuando la saqué esta mañana que estuviesen mal los dientes, tal vez sea la foto, de todos modos mañana lo miro.

__________________
http://veleromissregina.blogspot.com.es/

MMSI 261000522 CALL SIGN SPA2434
Citar y responder
  #74  
Antiguo 12-12-2015, 19:26
Avatar de Javi-Miss Regina
Javi-Miss Regina Javi-Miss Regina esta desconectado
Hermano de la costa
 
Registrado: 29-03-2011
Edad: 53
Mensajes: 3,892
Agradecimientos que ha otorgado: 2,164
Recibió 1,569 Agradecimientos en 858 Mensajes
Sexo:
Predeterminado Re: Cambio segmentos Volvo 2003T

Por cierto, aprovecho para contar una cosa que he descubierto,
Resulta que la corona del volante tiene un diente roto, esto me ha hecho recordar que alguna vez al darle al arranque se quedaba como bloqueado, sin embargo el cigueñal siempre giró bien, llegué a pensar que era de el motor de arranque, sin embargo ya lo desmonté, lo revisé y estaba perfecto.

Imagino que el problema venía de este diente roto en la corona del volante, ¿que os parece?

Por otro lado resulta que el precio de la corona en Volvo es un auténtico robo, como no 507€ (solo la corona), desde luego no voy a pagar eso.
Ojeando en un foro americano, comentan que esas coronas son las mismas que las de automocion pero para náutica multiplican el precio por 10 ( como siempre). ¿Se os ocurre alguna manera de saber cual le puede servir?, imagino que también está la opción de encontrarla de segunda mano

__________________
http://veleromissregina.blogspot.com.es/

MMSI 261000522 CALL SIGN SPA2434
Citar y responder
  #75  
Antiguo 12-12-2015, 21:09
Avatar de ironia
ironia ironia esta desconectado
Hermano de la costa
 
Registrado: 27-10-2006
Localización: Bahia de Cadiz
Edad: 60
Mensajes: 3,982
Agradecimientos que ha otorgado: 16
Recibió 1,274 Agradecimientos en 815 Mensajes
Predeterminado Re: Cambio segmentos Volvo 2003T

Parece que has avanzado un montón hoy, espero que mañana se te de bien todo

__________________
Hay un mismo amanecer para todos, pero distintas formas de ver el horizonte.
Socio de ANAVRE

https://veleroironia.blogspot.com/
Citar y responder
Responder Ver todos los foros en uno

Freedom sea


Reglas del foro
No puedes crear discusiones
No puedes responder a mensajes
No puedes editar tus adjuntos
No puedes editar tus mensajes

BB code está activado
Emoticonos está activado
El código [IMG] está activado
El código HTML está desactivado
Ir a


Todas las horas son GMT +1. La hora es 21:28.


Powered by vBulletin® Version 3.7.0
Copyright ©2000 - 2025, Jelsoft Enterprises Ltd.
© La Taberna del Puerto