La Taberna del Puerto Osmosis
"Se navega por los astros, por la mar, por la tierra, por las gentes, por los sentimientos...Se navega." Altair
VHF: Canal 77   
Regresar   La Taberna del Puerto > Foro > Foros Náuticos > Foro Náutico Deportivo

Avisos

Responder
 
Herramientas Estilo
  #351  
Antiguo 09-10-2017, 19:19
Avatar de Al Pairo
Al Pairo Al Pairo esta desconectado
Pirata
 
Registrado: 27-10-2006
Edad: 73
Mensajes: 210
Agradecimientos que ha otorgado: 390
Recibió 13 Agradecimientos en 9 Mensajes
Predeterminado Re: Openplotter y Raspberry Pi para no iniciados

Perri por donde andas? Esto se esta complicando para los no iniciados
Citar y responder
  #352  
Antiguo 09-10-2017, 19:39
Avatar de Perri
Perri Perri esta desconectado
Capitán pirata
 
Registrado: 01-09-2015
Localización: Canarias
Edad: 49
Mensajes: 702
Agradecimientos que ha otorgado: 452
Recibió 477 Agradecimientos en 204 Mensajes
Sexo:
Predeterminado Openplotter y Raspberry Pi para no iniciados

Cita:
Originalmente publicado por Al Pairo Ver mensaje
Perri por donde andas? Esto se esta complicando para los no iniciados



Jajajajajaja!!!! Sigo a la escucha siguiendo el hilo que tiene vida propia.

Estos es un mensaje para los no iniciados:

No se asusten, repito, NO se asusten!!!

Este hilo sigue siendo para no iniciados y todas sus dudas y preguntas tienen cabida sin excepción.

El hecho de que los avanzados y gurús participen es totalmente positivo porque algunos no iniciados ya han dejado de serlo y sus preguntas son cada vez mas avanzadas.

El manual que ha hecho Pinguino y que ha pasado por Telegram ha hecho que los no iniciados ya tengan un manual sencillo y utilizable para cualquier nivel.

Si quedan dudas, este es su hilo.

El objetivo del hilo que es abrir la puerta a todos aquellos que lo veíamos como algo inalcanzable creo lo estamos consiguiendo. Espero que no decaiga.

🍻🍻🍻🍻🍻🍻🍻
Citar y responder
13 Cofrades agradecieron a Perri este mensaje:
Acasimirocasper (05-03-2018), Al Pairo (09-10-2017), bacilococo (10-10-2017), dione (09-10-2017), erre (09-10-2017), Javierqk (10-10-2017), JONHY ITZIAR (06-06-2018), ManelvallsVila (09-10-2017), MIC_MIC (09-10-2017), POLIZON A BORDO (10-10-2017), ROyOR (23-02-2018), salton (10-10-2017), Yakosub (10-10-2017)
  #353  
Antiguo 10-10-2017, 11:55
Avatar de pepeal
pepeal pepeal esta desconectado
Pirata
 
Registrado: 18-07-2011
Mensajes: 107
Agradecimientos que ha otorgado: 19
Recibió 56 Agradecimientos en 38 Mensajes
Sexo:
Predeterminado Re: Openplotter y Raspberry Pi para no iniciados

Ed. Atarip: Contesta mensaje borrado

Editado por Atarip en 10-10-2017 a las 12:10.
Citar y responder
Los siguientes cofrades agradecieron este mensaje a pepeal
sailoog.com (10-10-2017)
  #354  
Antiguo 10-10-2017, 12:09
Avatar de scampolo
scampolo scampolo esta desconectado
Hermano de la costa
 
Registrado: 05-06-2007
Localización: Donde me dejan
Edad: 67
Mensajes: 6,022
Agradecimientos que ha otorgado: 1,136
Recibió 1,777 Agradecimientos en 1,170 Mensajes
Sexo:
Predeterminado Re: Openplotter y Raspberry Pi para no iniciados

Ed. Atarip: Contesta mensaje borrado
Citar y responder
  #355  
Antiguo 10-10-2017, 20:34
Avatar de Perri
Perri Perri esta desconectado
Capitán pirata
 
Registrado: 01-09-2015
Localización: Canarias
Edad: 49
Mensajes: 702
Agradecimientos que ha otorgado: 452
Recibió 477 Agradecimientos en 204 Mensajes
Sexo:
Predeterminado Openplotter y Raspberry Pi para no iniciados

Alguien podría explicar cómo cambiar la resolución de la pantalla a través es del VNC server porque estoy intentando activar plugins de Opencpn y no llego a ver el botón de activar en la pantalla a ver si el problema es la resolución que no está a pantalla completa.

Estuve mirando el manual de Telegram pero no vi nada al respecto, si lo hay avísenme que le leo de nuevo a ver.

🍻🍻🍻🍻
Citar y responder
  #356  
Antiguo 10-10-2017, 21:17
Avatar de ...
...
Invitado
 
Mensajes: n/a
Predeterminado Re: Openplotter y Raspberry Pi para no iniciados

Cita:
Originalmente publicado por Perri Ver mensaje
Alguien podría explicar cómo cambiar la resolución de la pantalla a través es del VNC server porque estoy intentando activar plugins de Opencpn y no llego a ver el botón de activar en la pantalla a ver si el problema es la resolución que no está a pantalla completa.

Estuve mirando el manual de Telegram pero no vi nada al respecto, si lo hay avísenme que le leo de nuevo a ver.

��������
Al usar Tv mi Rpi detecta el HDMI y ajusta la resolución a la detectada.

En tu caso al no haber TV tira de la basica que creo que es 640x480.

Antes se editaba el config.txt para decirle a la Rpi que resolución queremos independientemente de la que detecte... o no detecte.

No lo he probado pero he visto que dicen que se puede usar la herramienta de configuración de la Rpi para hacerlo. Pruebalo. Esta imagen te dice los pasos:



Yo lo intentaría con una de las opciones de 1024x768.

No hay nada de esto en el manual por que no es un asunto relacionado con OPlotter si no mas bien con Raspbian. Se puede añadir de todos modos.
Citar y responder
3 Cofrades agradecieron a este mensaje:
antull (10-10-2017), MIC_MIC (10-10-2017), Perri (10-10-2017)
  #357  
Antiguo 10-10-2017, 22:25
Avatar de dione
dione dione esta desconectado
Pirata
 
Registrado: 04-07-2010
Mensajes: 131
Agradecimientos que ha otorgado: 83
Recibió 52 Agradecimientos en 30 Mensajes
Sexo:
Predeterminado Respuesta: Openplotter y Raspberry Pi para no iniciados

Hablando de acceso remoto, y retomando el tema de la instalación de teamviwer, que realicè y funciona correctamente, pero al intentar volver a conectar tras acceso remoto no me deja, me aparece el nombre de mi red, que desaparece al poco y ya no me deja conectar, desconecto el punto de acceso y vuelvo a conectar y lo mismo. Esto me a pasado tras instalar teamviwer.
Me ha pasado con la tarjeta con las que hago pruebas para no cargarme la del barco. Voy a actualizar y volveré a probar.

¿Alguien le ha pasado?

Saludos
Citar y responder
  #358  
Antiguo 11-10-2017, 01:27
Avatar de martiniut
martiniut martiniut esta desconectado
Expulsado
 
Registrado: 22-06-2010
Edad: 47
Mensajes: 1,479
Agradecimientos que ha otorgado: 754
Recibió 1,451 Agradecimientos en 531 Mensajes
Sexo:
Predeterminado Re: Openplotter y Raspberry Pi para no iniciados

Cita:
Originalmente publicado por pinguino Ver mensaje
Al usar Tv mi Rpi detecta el HDMI y ajusta la resolución a la detectada.

En tu caso al no haber TV tira de la basica que creo que es 640x480.

Antes se editaba el config.txt para decirle a la Rpi que resolución queremos independientemente de la que detecte... o no detecte.

No lo he probado pero he visto que dicen que se puede usar la herramienta de configuración de la Rpi para hacerlo. Pruebalo. Esta imagen te dice los pasos:



Yo lo intentaría con una de las opciones de 1024x768.

No hay nada de esto en el manual por que no es un asunto relacionado con OPlotter si no mas bien con Raspbian. Se puede añadir de todos modos.
La configuracion de la resolución funciona perfectamente desde el menu de Raspberry. Para ver en el telefono use la de 16:9 para que ocupe toda la pantalla!

Acabo de comprar todo y lo puse en marcha a la primera. Comento un par de cosas...
El manual de Telegram la parte de configuración del GPS no esta. Despues de mucho trastear me di cuenta que el led del pincho que compre no funciona, pero si la conexión a los satelites. Hasta que no seguí los pasos de Perri no me funciono! Lo del GPS no es plug and play!
Mirar tambien de aclarar lo de los nombres de los usb, porque a mi me puso uno diferente a lo que explican en el manual y aqui, y me hacia dudar de que estuviera haciendo algo mal.

Mi primera pregunta acerca del funcionamiento...
Conexión via VNC desde el PC con la extensión de Chrome. Si conecto el mouse de cable a la Raspberry, no veo el puntero aunque si funciona, ya que se seleccionan los iconos cuando paso intuitivamente el mouse por encima. Con el mouse del portatil todo ok. No se puede hacer que solo sea visualización?

Misma situacion con el teléfono. Con VNC viewer, me pasa lo mismo. No veo el puntero, y solo funciona con el telefono.
Pero con el bVNC, si que veo el puntero.
He mirado configuraciones del programa pero no doy con la solución.
Lo que quiero es que tanto telefono como pc sean solo de visualización.
Por hdmi funciona perfectamente...

Un saludo!
Citar y responder
  #359  
Antiguo 11-10-2017, 06:27
Avatar de martiniut
martiniut martiniut esta desconectado
Expulsado
 
Registrado: 22-06-2010
Edad: 47
Mensajes: 1,479
Agradecimientos que ha otorgado: 754
Recibió 1,451 Agradecimientos en 531 Mensajes
Sexo:
Predeterminado Re: Openplotter y Raspberry Pi para no iniciados

Cita:
Originalmente publicado por gypsylyon Ver mensaje
Ya en este hilo se ha hablado de alguna otra utilidad de la Raspberry. En concreto se ha hablado de los GPIO.

GPIO son las siglas en ingles de General Purpose Input/Output, que traducido al español significa Entrada/Salida de Propósito General





Estos pines GPIO se encuentran en el conector lateral de 40 pines de la Raspberry. En la foto podemos ver la leyenda de cada pin.

Como se puede apreciar, el pin 1 es la salida de 3,3V.

Los pines 2 y 4 funcionan tanto como toma o salida de la tensión de +5V. Si alimentamos la Raspberry por el conector micro-USB tendremos en estos pines +5V. Pero también podríamos conectar una fuente de alimentación, bien estabilizada de 5V a uno de estos pines para que funcione.

Los pines negros que pone Ground, es la masa o el negativo de la alimentación.

Los pines verdes GPIO son auténticos entrada/salida de propósito general. Son 17 en total.

Hay otros GPIOs con otros colores. Estos, aunque se pueden usar como propósito general, están reservados para funciones concretas como puerto serie (en gris GPIO 14 y 15), interface I2C (en rosa GPIO3 y 5) que sirve para manejar los IMUs, interface SPI (Serial Parallel Interface en azul claro GPIO10,9,11,6 y 7).

Los pines 27 y 28 en amarillo se usa para reconocer chips por I2C y de esa manera instalar el driver correspondiente de forma automática.
No os preocupéis por estas nuevas siglas surgidas como interface I2C, interface SPI, ya volveré más tarde al tema.
El propósito de este post es el de definir la función de un GPIO. Hemos visto por definición, que es de entrada y salida.

¿Pero qué quiere decir?

Estos pines son digitales, o tienen el valor 1 (activado) o tienen el valor 0 (desactivado) y se controlan por Software. Es decir con un programa podemos hacer que se utilice bien como entrada , bien como salida.

Si lo usamos de salida tiene la función de un interruptor, es decir o está activado o está desactivado. O sea que lo podemos utilizar para encender o apagar aparatos, activar relés.

Si lo usamos como entrada podemos leer la activación o desactivación de un sensor o un interruptor. De esta manera lo podemos para leer sensores de sentina, puerta abierta, activación de una alarma (p.e. gas), incluso para leer los pulsos del molinete (contar metros de cadena) o los pulsos de la corredera (medir velocidad sobre el agua). Tambien un GPIO utilizado como salida puede activar otro GPIO usado como entrada.

Supongo que ya os estáis imaginando las posibilidades que ofrece la Raspberry. No solo un plotter si no también la posibilidad de monitoreo y de control. Es decir podemos convertir a la Raspberry en una central de domótica.

Volviendo a los interfaces I2C y SPI, decir que son unos interfaces desarrollados por la industria.

El I2C que es I²C, del inglés Inter-Integrated Circuit, fue desarrollado por Philips en 1982 Se utiliza principalmente internamente para la comunicación entre diferentes partes de un circuito, por ejemplo, entre un controlador y circuitos periféricos integrados. En nuestro caso la Raspberry y el IMU. Lo bueno de este interface es que se configura como un Bus pudiendo conectar varios aparatos con una jerarquía determinada para poder identificar cada uno de ellos.

En este punto aclaro lo que es un IMU. Un IMU es un sensor que mide inercias (inertial measurement unit- unidad medición inercia). Son sensores que miden aceleraciones en diferentes ejes y se les conoce también como giróscopos. Además del giróscopo, le suelen añadir sensores de campo magnéticos (uso como compas) de temperatura, presión y humedad.

El Bus SPI (Serial Peripheral Interface) es otro estándar de comunicaciones, usado principalmente para la transferencia de información entre circuitos integrados en equipos electrónicos. Este bus utiliza más pines que el I2C pero tiene las ventajas, entre otras, de ser más rápido que el I2C y ser totalmente bidireccional (full dúplex). Este interface se usa, por ejemplo para conectarse con un conversor analógico-digital (AD). De esta manera podemos leer con la Raspberry señales analógicas, como voltaje, amperaje, nivel de depósitos, temperatura, etc.

Resumiendo, el conector de 40 pines de la Raspberry, nos abre las posibilidades de conectar la Raspberry con diferentes dispositivos electrónicos por medio del bus I2C y SPI y de esa manera leer datos de sensores como giroscopos o de campo magnético o convertidores analógicos-digitales. Los pines GPIO nos permite monitorear y controlar tanto leyendo sensores digítales como accionando dispositivos digitales como relés.

Hasta aqui una idea basica de los GPIO. En cuanto tenga mas tiempo, explicare como los podemos utilizar.
Hola Gypsylyon.

Me estoy liando con lo de la Raspberry y se que tu eres el que mas ha avanzado con lo de los GPIO.
Intente buscar en el otro hilo, pero es tan extenso que no saqué nada en claro. Vi que has desarrollado un circuito impreso.

He pedido los sensores (presión, humedad, temperatura y el de compás magnético) Donde se conectan estos sensores?

Lo que mas me interesa es monitorizar el voltaje de las baterías. Como se hace? Con que lo visualizo en OP?

Muchas gracias.
Citar y responder
  #360  
Antiguo 11-10-2017, 10:34
Avatar de Borino
Borino Borino esta desconectado
Pirata
 
Registrado: 16-06-2010
Edad: 56
Mensajes: 298
Agradecimientos que ha otorgado: 368
Recibió 156 Agradecimientos en 90 Mensajes
Sexo:
Predeterminado Re: Openplotter y Raspberry Pi para no iniciados


Pues otro que se suma a la espera de las nuevas explicaciones de GYPSYLYION para poder sacar el maximo a la raspberry. De nuevo muchas gracias por toda esta informacion tan valiosa a todos los que nos iluminais.
Citar y responder
  #361  
Antiguo 11-10-2017, 10:45
Avatar de andrescel
andrescel andrescel esta desconectado
Pirata
 
Registrado: 20-01-2015
Edad: 43
Mensajes: 105
Agradecimientos que ha otorgado: 65
Recibió 36 Agradecimientos en 14 Mensajes
Sexo:
Predeterminado Re: Openplotter y Raspberry Pi para no iniciados

Yo también estoy con eso ahora.
He comprado el IMU y el sensor de presion.

El IMU conectado y calibrado pero no consigo que calcule el viento real.
El otro sensor está también conectado. Pero no se si lo ha reconocido o que tengo que hacer.
Citar y responder
  #362  
Antiguo 11-10-2017, 13:23
Avatar de ...
...
Invitado
 
Mensajes: n/a
Predeterminado Re: Openplotter y Raspberry Pi para no iniciados

Cita:
Originalmente publicado por martiniut Ver mensaje
La configuracion de la resolución funciona perfectamente desde el menu de Raspberry. Para ver en el telefono use la de 16:9 para que ocupe toda la pantalla!

Acabo de comprar todo y lo puse en marcha a la primera. Comento un par de cosas...
El manual de Telegram la parte de configuración del GPS no esta. Despues de mucho trastear me di cuenta que el led del pincho que compre no funciona, pero si la conexión a los satelites. Hasta que no seguí los pasos de Perri no me funciono! Lo del GPS no es plug and play!
Mirar tambien de aclarar lo de los nombres de los usb, porque a mi me puso uno diferente a lo que explican en el manual y aqui, y me hacia dudar de que estuviera haciendo algo mal.

Mi primera pregunta acerca del funcionamiento...
Conexión via VNC desde el PC con la extensión de Chrome. Si conecto el mouse de cable a la Raspberry, no veo el puntero aunque si funciona, ya que se seleccionan los iconos cuando paso intuitivamente el mouse por encima. Con el mouse del portatil todo ok. No se puede hacer que solo sea visualización?

Misma situacion con el teléfono. Con VNC viewer, me pasa lo mismo. No veo el puntero, y solo funciona con el telefono.
Pero con el bVNC, si que veo el puntero.
He mirado configuraciones del programa pero no doy con la solución.
Lo que quiero es que tanto telefono como pc sean solo de visualización.
Por hdmi funciona perfectamente...

Un saludo!
Gracias por confirmar lo de la resolución.

Respecto a la configuración del GPS, es cierto que no hay un capitulo dedicado a la configuración especifica del GPS si no uno mas genérico de configuración de dispositivos. No es mala idea incluir a modo de ejemplo como se configura un GPS. Tomo nota.

Respecto a lo del nombre del dispositivo, no es cosa de OPlotter. Eso depende del fabricante. Los mios son USBxx y otros son ACMxx. Algunos antiguos salían como SERIALxx. ¿Cual te salió a ti?

En cuanto al VNC no tengo ni idea de si es cosa del servidor VNC de OPlotter o depende de cada cliente. Tendría que investigarlo y como tengo la Rpi en el barco no siempre puedo hacerlo. Provisionalmente puedes tirar usando el puntero en pantalla, pasando del ratón pero usando el teclado físico para escribir. Podría ser una solución de compromiso.

Edito para añadir:

He hecho pruebas con una vieja Rpi que tenia y he podido comprobar en mi caso que, usando un teléfono Android, dependiendo de la aplicación que usaba el comportamiento era distinto.

Si usaba esta, VNC Viewer :

El cursor del ratón NO se me mostraba.

Pero si uso esta, VNC per android:


SI que podía ver el cursor desplazarse según movía el ratón. Así que es cosa del cliente que usamos no de OPlotter.

Si descubro algo mas os lo comento. Recordad que yo no soy el papa de OPlotter y desconozco mucho.

Editado por ... en 11-10-2017 a las 14:39.
Citar y responder
2 Cofrades agradecieron a este mensaje:
dione (11-10-2017), martiniut (11-10-2017)
  #363  
Antiguo 11-10-2017, 13:28
Avatar de ...
...
Invitado
 
Mensajes: n/a
Predeterminado Re: Openplotter y Raspberry Pi para no iniciados

Cita:
Originalmente publicado por martiniut Ver mensaje
Hola Gypsylyon.

Me estoy liando con lo de la Raspberry y se que tu eres el que mas ha avanzado con lo de los GPIO.
Intente buscar en el otro hilo, pero es tan extenso que no saqué nada en claro. Vi que has desarrollado un circuito impreso.

He pedido los sensores (presión, humedad, temperatura y el de compás magnético) Donde se conectan estos sensores?

Lo que mas me interesa es monitorizar el voltaje de las baterías. Como se hace? Con que lo visualizo en OP?

Muchas gracias.
A falta de que se acerque Gypsylyon que es el verdadero experto en estas lides....

Los otros no los tengo, pero el IMU magnético, acelerometro y giroscopo si.

Se conectan cuatro cables.

El de aiimentacion de 3,3volt al pin 1 naranja.
Luego veras en el IMU uno que pone SDA al pin 3 violeta
El otro pondrá SCL va al pin 5 violeta.
El ultimo es el de tierra o negativo a cualquier pin GRND como el 6 o el 9 negro.

Los demás ignóralos. Algunos IMU admiten alimentación a 3.3 y a 5 volt. Yo recomiendo usar la de 3,3 pero si queremos usar la de 5 volt OJO de no conectarlo al + de 3,3 sino al suyo, al de +5V.



Si compraste el IMU que vendia el "papá" de OPlotter sera mas o menos así:



Usa los cuatro terminales que dije.

Editado por ... en 11-10-2017 a las 14:48.
Citar y responder
Los siguientes cofrades agradecieron este mensaje a
gypsylyon (11-10-2017)
  #364  
Antiguo 11-10-2017, 15:31
Avatar de gypsylyon
gypsylyon gypsylyon esta desconectado
Hermano de la costa
 
Registrado: 19-07-2012
Edad: 67
Mensajes: 2,307
Agradecimientos que ha otorgado: 289
Recibió 1,345 Agradecimientos en 816 Mensajes
Sexo:
Predeterminado Re: Openplotter y Raspberry Pi para no iniciados

Gracias. Pinguino. No siempre se tiene tiempo de disfrutar del Foro. Tambien hay que trabajar

Efectivamente , asi se conectan los IMUs. Si se ponen mas, se colocan en paralelo. Tdas las SDA juntas y todas las SCL juntas. La raspi les asigna una direccion en el bus al activarlas en OpenPlotter

Esta es la orden para visualizar los dispositivos I2C
i2cdetect -y 1

Y esta es la respuesta

0 1 2 3 4 5 6 7 8 9 a b c d e f
00: -- -- -- -- -- -- -- -- -- -- -- -- --
10: -- -- -- -- -- -- -- -- -- -- -- -- -- -- -- --
20: -- -- -- -- -- -- -- -- -- -- -- -- -- -- -- --
30: -- -- -- -- -- -- -- -- -- -- -- -- -- -- -- --
40: -- -- -- -- -- -- -- -- -- -- -- -- -- -- -- --
50: -- -- -- -- -- -- -- -- -- -- -- -- -- -- -- --
60: 60 -- -- -- -- -- -- -- -- -- -- -- -- -- -- --
70: -- -- -- -- -- -- -- --

La posicion 60/1 esta ocupada con el dispositivo 60
Citar y responder
  #365  
Antiguo 11-10-2017, 16:06
Avatar de martiniut
martiniut martiniut esta desconectado
Expulsado
 
Registrado: 22-06-2010
Edad: 47
Mensajes: 1,479
Agradecimientos que ha otorgado: 754
Recibió 1,451 Agradecimientos en 531 Mensajes
Sexo:
Predeterminado Re: Openplotter y Raspberry Pi para no iniciados

Recibido lo de los sensores y lo de VNC! Gracias pinguino y Gypsylyon...

Pero y lo de medir el voltaje de las baterias?, casi lo que mas me interesaba...

Un saludo.
Citar y responder
  #366  
Antiguo 11-10-2017, 18:00
Avatar de gypsylyon
gypsylyon gypsylyon esta desconectado
Hermano de la costa
 
Registrado: 19-07-2012
Edad: 67
Mensajes: 2,307
Agradecimientos que ha otorgado: 289
Recibió 1,345 Agradecimientos en 816 Mensajes
Sexo:
Predeterminado Re: Openplotter y Raspberry Pi para no iniciados

Cita:
Originalmente publicado por martiniut Ver mensaje
Recibido lo de los sensores y lo de VNC! Gracias pinguino y Gypsylyon...

Pero y lo de medir el voltaje de las baterias?, casi lo que mas me interesaba...

Un saludo.
Bueno esto es algo mas complicado y requiere incluso mas habilidades.

Es algo que tambien explicare, pero Antes queria esperar a que los cofrades pudieran dijerir el tema de los GPIOs y los Buses I2C y SPI.

Bien respondiendo a tu pregunta, para medir voltajes y amperaje, utilizo un convertidor analogico-digital de 10 bits. Esto nos da 1024 posiciones de resolucion, que son sufcientes para monitorizar una Tension de 12 V.

Que significa lo de las 1024 posiciones. Sencillamente, lo que el convertidor hace es para un voltaje determinado, le asigna una posicion de 0 a 1023.

Para ello se utiliza el chip MCP3008 que trabaja con el bus SPI. Este chip tiene 8 canales, es decir puede leer 8 diferentes tensiones. El chip trabaja con 3,3 V (que la podemos coger de la Raspberry). Eso significa que convierte en un Numero digital, de 0 a 1023 una Tension de 0 a 3,3 V.

Si dividimos 3,3 entre 1024, obtenemos la resolucion de lectura de 3,2 mV. Eso quiere decir que cada 3,2 mV le asigna una posicion digital (por ejemplo 0V-0, 3,2mV-1, 6,4mv-2..........3,3V-1023).

Pero si el chip solo mide de 0 a 3,3 voltios, como podemos medir una Tension de 12 Voltios?

Para ello tenemos la ley de Ohm, con dos Resistencias podemos Hacer un Divisor de Tension, para que una Tension de entrada de 12 V nos de una de salida de 3,3V.

Supongo que tu siguiente pregunta es, como se puede medir amperaje?

Para ello utilizo un chip que funciona como amperimetro y la salida del mismo se la paso al chip anterior(MCP3008). El problema es que Sailoog tiene que adaptar el programa para poder visualizar los amperios


Cuando llegue a casa os pongo un par de graficos al respecto.

La placa que diseñe y que la tengo Montada en mi velero, aprovecha al maximo los recursos de GPIO de la Raspberry.
Dispone de 16 entradas analogicas, la ultima Version con tres amperimetros (cargador 220, alternador, Solar o eolica). Tiene 8 entradas digitales y 9 salidas digitales con rele de 30Amp/12V.


No he cableado todo por falta de tiempo, pero tres entradas analogicas mide la Tension de las tres baterias y las salidas estan conectadas a luces de navegacion, y diferentes apartos. De esta forma los puedo controlar con el mobil o con el tablet.
Tambien he programado algun que otro escenario en funcion de la Tension de las baterias, desconexion de 220V del pantalan, agua en la sentina, para que me mande un sms.
En caso de desconexion de 220V apaga todos los aparatos conectados a 12 V cuando la Tension de bateria baja de los 11,8V.

Estos escenarios se pueden programar perfectamente con OpenPlotter.

Espero que no sea mucho tocho. El que no lo entienda que no se desanime, estamos intentando hacerlo facilon y a ser posible plug and Play.

Aqui se puede ver el montaje del la placa con la raspberry
http://foro.latabernadelpuerto.com/s...postcount=2000
Citar y responder
5 Cofrades agradecieron a gypsylyon este mensaje:
dione (11-10-2017), Javierqk (11-10-2017), MIC_MIC (11-10-2017), Vivagar (30-12-2023)
  #367  
Antiguo 11-10-2017, 20:35
Avatar de Javierqk
Javierqk Javierqk esta desconectado
Piratilla
 
Registrado: 22-07-2014
Localización: Rías Baixas
Mensajes: 62
Agradecimientos que ha otorgado: 60
Recibió 13 Agradecimientos en 12 Mensajes
Sexo:
Predeterminado Re: Openplotter y Raspberry Pi para no iniciados

Cita:
Originalmente publicado por gypsylyon Ver mensaje
Bueno esto es algo mas complicado y requiere incluso mas habilidades.

Es algo que tambien explicare, pero Antes queria esperar a que los cofrades pudieran dijerir el tema de los GPIOs y los Buses I2C y SPI.

Bien respondiendo a tu pregunta, para medir voltajes y amperaje, utilizo un convertidor analogico-digital de 10 bits. Esto nos da 1024 posiciones de resolucion, que son sufcientes para monitorizar una Tension de 12 V.

Que significa lo de las 1024 posiciones. Sencillamente, lo que el convertidor hace es para un voltaje determinado, le asigna una posicion de 0 a 1023.

Para ello se utiliza el chip MCP3008 que trabaja con el bus SPI. Este chip tiene 8 canales, es decir puede leer 8 diferentes tensiones. El chip trabaja con 3,3 V (que la podemos coger de la Raspberry). Eso significa que convierte en un Numero digital, de 0 a 1023 una Tension de 0 a 3,3 V.

Si dividimos 3,3 entre 1024, obtenemos la resolucion de lectura de 3,2 mV. Eso quiere decir que cada 3,2 mV le asigna una posicion digital (por ejemplo 0V-0, 3,2mV-1, 6,4mv-2..........3,3V-1023).

Pero si el chip solo mide de 0 a 3,3 voltios, como podemos medir una Tension de 12 Voltios?

Para ello tenemos la ley de Ohm, con dos Resistencias podemos Hacer un Divisor de Tension, para que una Tension de entrada de 12 V nos de una de salida de 3,3V.

Supongo que tu siguiente pregunta es, como se puede medir amperaje?

Para ello utilizo un chip que funciona como amperimetro y la salida del mismo se la paso al chip anterior(MCP3008). El problema es que Sailoog tiene que adaptar el programa para poder visualizar los amperios


Cuando llegue a casa os pongo un par de graficos al respecto.

La placa que diseñe y que la tengo Montada en mi velero, aprovecha al maximo los recursos de GPIO de la Raspberry.
Dispone de 16 entradas analogicas, la ultima Version con tres amperimetros (cargador 220, alternador, Solar o eolica). Tiene 8 entradas digitales y 9 salidas digitales con rele de 30Amp/12V.


No he cableado todo por falta de tiempo, pero tres entradas analogicas mide la Tension de las tres baterias y las salidas estan conectadas a luces de navegacion, y diferentes apartos. De esta forma los puedo controlar con el mobil o con el tablet.
Tambien he programado algun que otro escenario en funcion de la Tension de las baterias, desconexion de 220V del pantalan, agua en la sentina, para que me mande un sms.
En caso de desconexion de 220V apaga todos los aparatos conectados a 12 V cuando la Tension de bateria baja de los 11,8V.

Estos escenarios se pueden programar perfectamente con OpenPlotter.

Espero que no sea mucho tocho. El que no lo entienda que no se desanime, estamos intentando hacerlo facilon y a ser posible plug and Play.

Aqui se puede ver el montaje del la placa con la raspberry
http://foro.latabernadelpuerto.com/s...postcount=2000
Ya que la has mencionado, te recuerdo que estoy interesado en una, y espero que ya se apuntaran más colegas.
Tenme informado.
Citar y responder
  #368  
Antiguo 11-10-2017, 22:51
Avatar de gypsylyon
gypsylyon gypsylyon esta desconectado
Hermano de la costa
 
Registrado: 19-07-2012
Edad: 67
Mensajes: 2,307
Agradecimientos que ha otorgado: 289
Recibió 1,345 Agradecimientos en 816 Mensajes
Sexo:
Predeterminado Re: Openplotter y Raspberry Pi para no iniciados

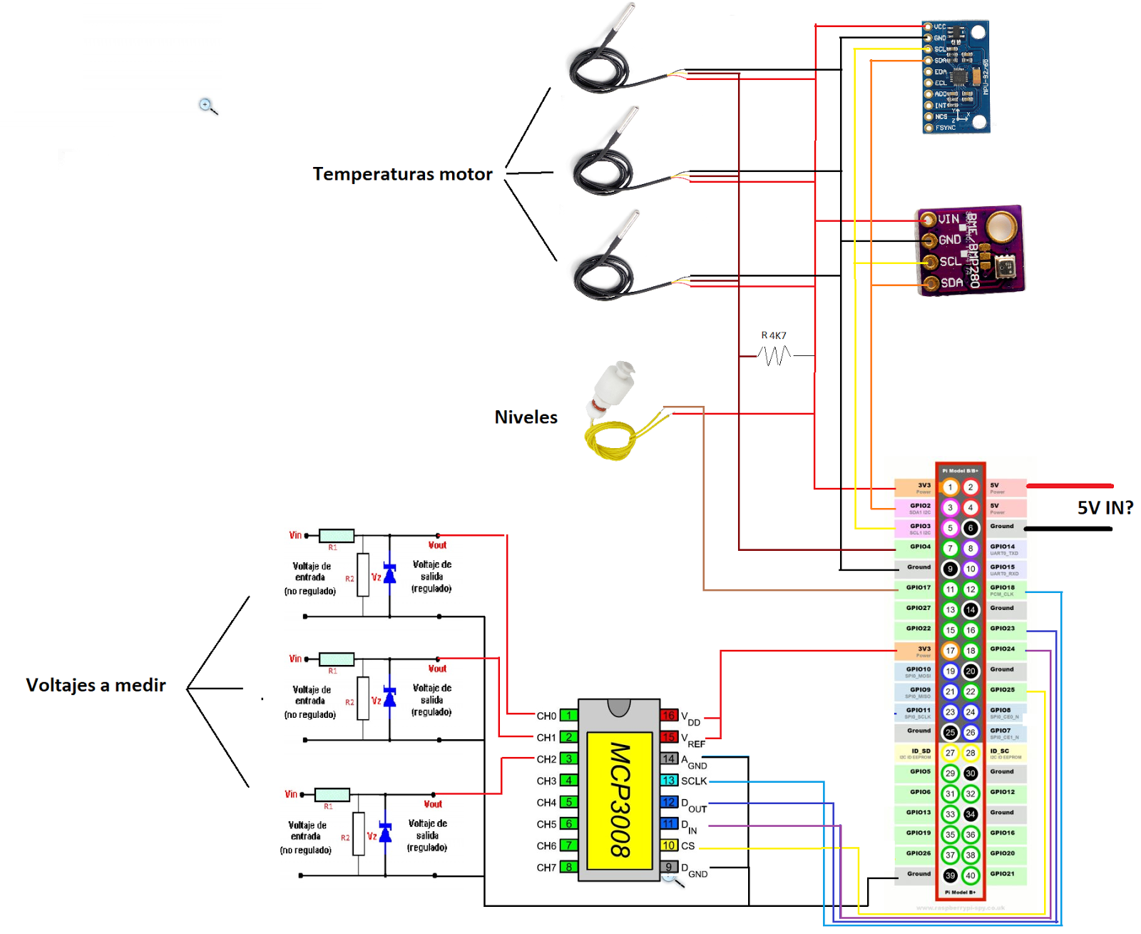
Lo prometido es deuda.



Aqui podemos ver el ChipMC3008. En el lado izquierdo estan las 8 entradas analogicas. En el lado derecho, las entradas de alimentacion y los pines para conectarse en un Bus SPI



Aqui se puede ver la correlacion de los pines de conxion entre la Raspi y el MC3008 del bus SPI.
Cuando se conectan mas de un dispositivo SPI, los pines llamados MISO, MOSI, SCLK son comunes. Solo cambia el pin CS que es diferente en la Raspi y dedicado a cada dispositivo.



Aqui vemos el divisor de tension para poder medir tensiones por encima de 3,3 Voltios. En general las resistencias se calculan para que a conversion sea 2/1, 3/1, 4/1 o 5/1 por ejemplo. En nuestro caso, nos interesa una conversion de 5/1 de esa manera podemos medir tensiones hasta 16V.
Para no cargarnos el chip, en caso de superr los 3,3 V, se coloca el diodo Zener, cuya mision es limitar la tension para que no pase de 3,3 V.
Citar y responder
Los siguientes cofrades agradecieron este mensaje a gypsylyon
Acasimirocasper (05-03-2018)
  #369  
Antiguo 11-10-2017, 22:58
Avatar de gypsylyon
gypsylyon gypsylyon esta desconectado
Hermano de la costa
 
Registrado: 19-07-2012
Edad: 67
Mensajes: 2,307
Agradecimientos que ha otorgado: 289
Recibió 1,345 Agradecimientos en 816 Mensajes
Sexo:
Predeterminado Re: Openplotter y Raspberry Pi para no iniciados

Cita:
Originalmente publicado por Javierqk Ver mensaje
Ya que la has mencionado, te recuerdo que estoy interesado en una, y espero que ya se apuntaran más colegas.
Tenme informado.
Desgraciadamente no se apuntaron suficientes como para hacer una tirada grande que abarate su produccion.

Estoy mirando otras vias. Una de esas vias supone arriesgar dinero para mandar hacer un numero determinado Huts para venderlos. En este caso tendria que montar una sociedad, ofrecer garantia del producto, crear documentacion y muchos etc y eso para mi de momento es mucho.

La otra es que una empresa la produzca, pero hasta ahora todo son negativas.

La tercera posibilidad es que cada uno se la haga, pero para ello hay que tener bastante experiencia en la creacion de placas de circuito impreso a dos caras con puentes entre caras. Esta es una opcion cara.
Citar y responder
  #370  
Antiguo 12-10-2017, 01:03
Avatar de martiniut
martiniut martiniut esta desconectado
Expulsado
 
Registrado: 22-06-2010
Edad: 47
Mensajes: 1,479
Agradecimientos que ha otorgado: 754
Recibió 1,451 Agradecimientos en 531 Mensajes
Sexo:
Predeterminado Re: Openplotter y Raspberry Pi para no iniciados

Genial Gypsylyon!
Yo te voy a ser sincero, lo de la placa que te curraste me parece increíble pero muy cara. Se que lo vale, pero viendo lo que vale todo el resto del sistema, comparativamente es caro.
Ademas creo que nadie va a poner tantos sensores ni controlar casi todo el barco con domótica. Solo algunos, dentro de los que me incluyo.
Opino que hasta que no sea todo plug and play y preparado para un ambiente marino openplotter no terminará de despegar. Todos lo tenemos como un extra/complemento de la electrónica de a bordo y un cacharrin para jugar/experimentar...
No se cuanta gente hay que solo tenga instalada una Raspberry como electrónica principal del barco.

Ya habia visto tus mensajes de este hub en el otro hilo, pero como era de marzo pensaba que podría haber algo nuevo...
Vale, entiendo que poniendo el mcp3008 en una placa de experimentación seria suficiente para medir el voltaje no? Lo del amperaje por ahora me da igual, ya tengo el nasa.

Y podrias explicar por encima, una vez teniendo estos datos entando en OP, como la vizualizamos?

Muchas gracias otra vez!
Citar y responder
  #371  
Antiguo 12-10-2017, 08:28
Avatar de martiniut
martiniut martiniut esta desconectado
Expulsado
 
Registrado: 22-06-2010
Edad: 47
Mensajes: 1,479
Agradecimientos que ha otorgado: 754
Recibió 1,451 Agradecimientos en 531 Mensajes
Sexo:
Predeterminado Re: Openplotter y Raspberry Pi para no iniciados

Gypsylyon... Sigo dando por saco...

Puedes echarle un ojo al dibujo que hice a ver si voy muy mal encaminado?




Es para ir haciendo una lista de material para pedir...

PCB de isletas
Cable de 40 pins y su zocalo
MCP3008 y su zocalo
Resistencias y zener (valores???)
Conectores de PCB con tornillos.

Preguntas:
Puedo alimentar la Raspberry mediante los pines 5V?(pin 2 o 4) (Para pasar del microUSB)
La resistencia de los sensores de temperatura 4,7K?

Edito para poner unas fotos de mi progreso.
Aunque sea un pc, es VNC de Openplotter funcionando de maravillas...







Por cierto, en el curro estan probando unas pantallas táctiles que tienen una pinta estupenda. Caras, pero de muy buena calidad y bajisimo consumo (micro usb del telefono, max consumo 2A)
Se conectan de dos formas. Con los conectores integrados (micro hdmi y micro usb) o con una placa por detras mucho mas solida e integrada...

https://www.amazon.es/gp/aw/d/B00XK5...c+tactil&psc=1




Y aunque se que con una tele de 100 euros va de muerte, me fliparia tener integrado en la mesa de cartas un cacharro tactil como este... Una super pijadilla...
La semana que viene lo pruebo con OP...

Un saludo.

Editado por martiniut en 12-10-2017 a las 15:39.
Citar y responder
2 Cofrades agradecieron a martiniut este mensaje:
Javierqk (12-10-2017)
  #372  
Antiguo 12-10-2017, 16:25
Avatar de martiniut
martiniut martiniut esta desconectado
Expulsado
 
Registrado: 22-06-2010
Edad: 47
Mensajes: 1,479
Agradecimientos que ha otorgado: 754
Recibió 1,451 Agradecimientos en 531 Mensajes
Sexo:
Predeterminado Re: Openplotter y Raspberry Pi para no iniciados

Jope, no encuentro nada mejor y mas barato...
Encontre la pagina de esta gente...
El de 15 pulgadas es una pasada...

https://store.gechic.com/portable-touch-monitor/

Citar y responder
  #373  
Antiguo 12-10-2017, 19:24
Avatar de ...
...
Invitado
 
Mensajes: n/a
Predeterminado Re: Openplotter y Raspberry Pi para no iniciados

Bueno, ya he incluido en la guía lo que sugería martiniut. Los detalles de la resolución a elegir, la configuración de ejemplo de perri y el detalle del puntero del ratón en VNC.

Estoy subiendo también una compilación "bastarda" y totalmente espurea de OPlotter llamada PenguinPlotter que me he montado para mi y que incluye la actualización del sistema operativo Raspbian a su última edición y la actualización de OPlotter a su versión 0.16.0beta.

No se que tal funcionará no os la recomiendo a menos que os guste experimentar. Pero mientras Sailoog no monte la oficial es lo único que tengo.

Al menos la traducción de OPlotter sobre PPlotter es mucho mas completa.

Para miembros "atrevidos" del canal de Telegram.

Le ha cambiado el aspecto para evitar confusiones. No vayamos a informar de fallos de la bastarda como si fueran de la oficial. ¿OK?
Citar y responder
Los siguientes cofrades agradecieron este mensaje a
dione (12-10-2017)
  #374  
Antiguo 12-10-2017, 19:45
Avatar de aspen
aspen aspen esta desconectado
Pirata pata palo
 
Registrado: 14-02-2016
Edad: 56
Mensajes: 375
Agradecimientos que ha otorgado: 25
Recibió 176 Agradecimientos en 111 Mensajes
Sexo:
Predeterminado Re: Openplotter y Raspberry Pi para no iniciados

hace una semana que me ha lllegado la

Editado por aspen en 12-10-2017 a las 19:49.
Citar y responder
  #375  
Antiguo 12-10-2017, 19:48
Avatar de aspen
aspen aspen esta desconectado
Pirata pata palo
 
Registrado: 14-02-2016
Edad: 56
Mensajes: 375
Agradecimientos que ha otorgado: 25
Recibió 176 Agradecimientos en 111 Mensajes
Sexo:
Predeterminado Re: Openplotter y Raspberry Pi para no iniciados

hace una semana que me ha lllegado la Rasp. Lo primero que me sorprendió es su pequeño tamaño, poco más grande que una tarjeta de crédito!!!!. El paquete por algo más de 60 euros viene la Rasp, cargador, cable con interruptor, tarjeta de memoria, cable hdmi, disipadores, caja protectora y el pincho GPS.
No me supuso ningún problema cargar el sistema operativo conectándome por wifi a un portátil como pantalla, me ha venido de película el mensaje anterior de cómo configurar la pantalla para poder aprovechar toda la pantalla del portátil.
Algo más tiempo me llevo configurar el pincho GPS, en la página 5 de éste mismo subforo explica claramente cómo hacerlo. Para futuras actualizaciones del PDF para ni iniciados creo que es un punto a incluir ya que la configuración básica del Oplotter requiere si o si de un dispositivo GPS.


La información de la velocidad del barco sobre el fondo me he fijado que la da en pequeñito abajo de todo del mapa. ¿Hay alguna manera de ponerla más grande..... como por ejemplo la de la brújula digital¿

Muchas gracias a los que hacéis este proyecto fácil para mendrugos como yo
Citar y responder
Responder Ver todos los foros en uno

Osmosis

Etiquetas
opencpn, openplotter, raspberry pi


Reglas del foro
No puedes crear discusiones
No puedes responder a mensajes
No puedes editar tus adjuntos
No puedes editar tus mensajes

BB code está activado
Emoticonos está activado
El código [IMG] está activado
El código HTML está desactivado
Ir a


Todas las horas son GMT +1. La hora es 08:21.


Powered by vBulletin® Version 3.7.0
Copyright ©2000 - 2025, Jelsoft Enterprises Ltd.
© La Taberna del Puerto